El. Okna

Palubní počítač, Tempomat, automatické nastavení sklonu světlometů, váha vzduchu, navigace, barevný displej
Odpovědět
Uživatelský avatar
kozlik159
Příspěvky: 30
Registrován: 02 led 2012, 19:00
Bydliště: Hlavnice, okres. Opava
Kontaktovat uživatele:

El. Okna

Příspěvek od kozlik159 »

Zdravím lidi. Potřebuji pomoc. Dodělával jsem si zadní el. okna, a zjistil jsem že mi do nich nejde proud.. elektrika je natahla ale bez proudu, přední okna mi jdou, nevím kde najít problém, pojistky jsou dobré. Prosím o radu.
Opel Astra G 2.0 DTI 74kw r.v. 2000
Reklama
 

Uživatelský avatar
erico
Příspěvky: 477
Registrován: 23 kvě 2013, 22:42
Bydliště: Kamienka , cez tyzden Zilina

Re: El. Okna

Příspěvek od erico »

mas v predu vypinac na vsetky 4 elektricke okna ??
Uživatelský avatar
vasekpetr1
Příspěvky: 3106
Registrován: 24 led 2006, 08:33
Bydliště: Červená Hospoda u Třebíče

Re: El. Okna

Příspěvek od vasekpetr1 »

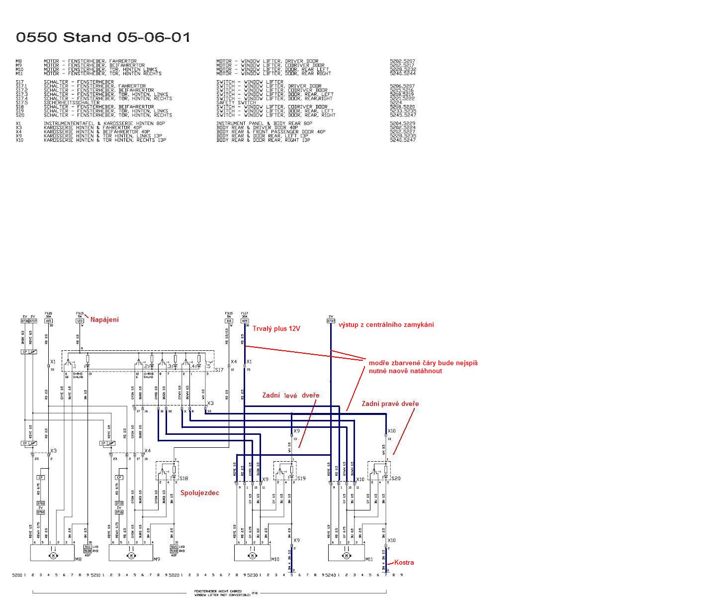
Přikládám schéma zapojení pro stahování oken - všimni si, že zadní okna mají trvalý plus z pojistky F1.17 (30A) - ta je v pořádku a osazena? Přední jsou z pojistky F1.20 (30A) - obě z potenciálu 30 (trvalý plus). Pokud je pojistka v pořádku a pod napětím, tak dále je v cestě konektor X1 (A sloupek u nohou řidiče za packou otevírání haubny motoru) pin 75. Samozřejmě musí být osazen 4-kolíbkový ovladač v dveřích řidiče (kontakt dětské pojistky).
Přílohy
Stahování oken.JPG
Dřívější srdcovka, prodaná na díly pro UA: Astra 1,6 G caravan 99, motor X16SZR, 55 kW, VIN: W0L0TGF35X20326xx, tmavě zelená metalíza,
Nynější mazlík: Opel Zafira B, 1,9 TDCI - Z19DT - 2008, černá, najeto 170 tkm.

A menuju se Petr a né Vašek a žiju v Hospodě -:)
Uživatelský avatar
kozlik159
Příspěvky: 30
Registrován: 02 led 2012, 19:00
Bydliště: Hlavnice, okres. Opava
Kontaktovat uživatele:

Re: El. Okna

Příspěvek od kozlik159 »

Mám vypínače všechny. U řidiče mi proud jde v ovladači a pouští proud dál,ale do zadu na okna nejde ani stali, tak nevím co s tím. Stahovacky a ovládání když napojim na prudkou tak idou
Opel Astra G 2.0 DTI 74kw r.v. 2000
Uživatelský avatar
vasekpetr1
Příspěvky: 3106
Registrován: 24 led 2006, 08:33
Bydliště: Červená Hospoda u Třebíče

Re: El. Okna

Příspěvek od vasekpetr1 »

Nezbude ti, než zkontrolovat vydrátování mezi X3 (levé přední dveře) a X9 (levé zadní dveře - rudý 2,5; šedo-červený 0,5; modro-zelený 0,5; bílý 0,5) a X10 (pravé zadní dveře - rudý 2,5; šedo-bílý 0,5; modro-bílý 0,5; bílý 0,5). Sundat obložení prahu a podívat se do svazku, jestli se tam vodiče daných barev vyskytují. Jestli jsi na to šel metodou, že vezmeš kabeláž se stahovačkami z původních dveří a napojíš to jen do svých dveří, tak to jsi měl nejdřív prověřit, jestli máš nachystanou kabeláž i uvnitř votu. Některé vozy dle obsahu výbavy ani toto neměly. Takže zkontroluj kabeláž.
P.S. Vyznáš se v tom schematu?
Dřívější srdcovka, prodaná na díly pro UA: Astra 1,6 G caravan 99, motor X16SZR, 55 kW, VIN: W0L0TGF35X20326xx, tmavě zelená metalíza,
Nynější mazlík: Opel Zafira B, 1,9 TDCI - Z19DT - 2008, černá, najeto 170 tkm.

A menuju se Petr a né Vašek a žiju v Hospodě -:)
Uživatelský avatar
kozlik159
Příspěvky: 30
Registrován: 02 led 2012, 19:00
Bydliště: Hlavnice, okres. Opava
Kontaktovat uživatele:

Re: El. Okna

Příspěvek od kozlik159 »

V schématu se nevyznám.. v pravých dvěří do zadu mi vede šedý, červeno-černý, žluto-černý, modro-černý.
Opel Astra G 2.0 DTI 74kw r.v. 2000
Uživatelský avatar
vasekpetr1
Příspěvky: 3106
Registrován: 24 led 2006, 08:33
Bydliště: Červená Hospoda u Třebíče

Re: El. Okna

Příspěvek od vasekpetr1 »

To jsou kabely pro centrální zamykání, takže na stahování tam nemáš nachystanou kabeláž :x . Čili nezbývá ti nic jiného, než buď sehnat novou kabeláž a dotahat do dveří nové dráty nebo vrátit švihadla. Nebo to dát někomu, kdo ti to natahá.
Dřívější srdcovka, prodaná na díly pro UA: Astra 1,6 G caravan 99, motor X16SZR, 55 kW, VIN: W0L0TGF35X20326xx, tmavě zelená metalíza,
Nynější mazlík: Opel Zafira B, 1,9 TDCI - Z19DT - 2008, černá, najeto 170 tkm.

A menuju se Petr a né Vašek a žiju v Hospodě -:)
Uživatelský avatar
kozlik159
Příspěvky: 30
Registrován: 02 led 2012, 19:00
Bydliště: Hlavnice, okres. Opava
Kontaktovat uživatele:

Re: El. Okna

Příspěvek od kozlik159 »

nevíš o někom kdo by měl kabeláž na to? jinak tam by neměl být problem natáhnout kabely sám, nebo je?
Opel Astra G 2.0 DTI 74kw r.v. 2000
Uživatelský avatar
vasekpetr1
Příspěvky: 3106
Registrován: 24 led 2006, 08:33
Bydliště: Červená Hospoda u Třebíče

Re: El. Okna

Příspěvek od vasekpetr1 »

Zkus tady prolézt vlákno "Prodám - náhradní díly" někteří lidé tady prodávají bouračky totálky, tak by to mohli vypreparovat. Ohledně složitosti výměny kabeláže ti moc nepomůžu, netuším, jaké jsou tvoje zkušenosti a znalosti. Pamatuj, že to není jen o výměně kabelového svazku, ale řádné zjištění, kde co chybí a případné doplnění. Když ti není ani jasné zapojení schematu, tak si myslím, že sis ukousl moc velký krajíc.
P.S. obrázek pro kozlik:
Stahování oken2.JPG
Dřívější srdcovka, prodaná na díly pro UA: Astra 1,6 G caravan 99, motor X16SZR, 55 kW, VIN: W0L0TGF35X20326xx, tmavě zelená metalíza,
Nynější mazlík: Opel Zafira B, 1,9 TDCI - Z19DT - 2008, černá, najeto 170 tkm.

A menuju se Petr a né Vašek a žiju v Hospodě -:)
Tommy 09
Příspěvky: 6
Registrován: 25 úno 2013, 06:11
Bydliště: Těrlicko

Re: El. Okna

Příspěvek od Tommy 09 »

Zdravím. Vše nejlepší v Novém roce. Potřebuji se o něčem poradit. Mám v autě jen manuální stah.oken :( . Chtěl bych dodatečně namontovat elektriku. Našel jsem univerzální sadu na el. stah. oken. Máte s tím někdo nějaké zkušenosti? Mám obavy,aby to šlapalo. Díky
Odpovědět