Odpojeni zadniho sterace
Odpojeni zadniho sterace
Potreboval bych zjistit ktery kablik mam odpojit abych prerusil 3krat stirani pri pusteni zadniho ostriku.Ostrik sem si prepojil na predni svetla,ale potrebuji zachovat to prerusovane stirani-Jestli odpojit na pačce nebo u motorku sterača.Diky za odpovedi,debilni hlasky si nechte na doma 
[color=#000000]Mirdova2908-Tempomat,4xEl.okna,Pp od davida a mnoho dalsich veci[/color]
Kia ceed 1.6crdi 94kw,2013
Kia ceed 1.6crdi 94kw,2013
- Reklama
- vasekpetr1
- Příspěvky: 3106
- Registrován: 24 led 2006, 08:33
- Bydliště: Červená Hospoda u Třebíče
Re: Odpojeni zadniho sterace
Mirdo, koukám do schematu a asi tě nepotěším: cykl zadního stěrače jde přes multitimer a je jedno, jestli trvalý ostřik nebo přepnutí. A jsem v práci, tak můžu debilní hlášku
: to chceš jen otírat okno bez ostřiku?
edit: on ten ostřik předních světlometů je řešen kladným impulsem od páčky ostřikovačů na časové relé, které spouští motorek ostřiku světlometů.
edit: on ten ostřik předních světlometů je řešen kladným impulsem od páčky ostřikovačů na časové relé, které spouští motorek ostřiku světlometů.
Dřívější srdcovka, prodaná na díly pro UA: Astra 1,6 G caravan 99, motor X16SZR, 55 kW, VIN: W0L0TGF35X20326xx, tmavě zelená metalíza,
Nynější mazlík: Opel Zafira B, 1,9 TDCI - Z19DT - 2008, černá, najeto 170 tkm.
A menuju se Petr a né Vašek a žiju v Hospodě -:)
Nynější mazlík: Opel Zafira B, 1,9 TDCI - Z19DT - 2008, černá, najeto 170 tkm.
A menuju se Petr a né Vašek a žiju v Hospodě -:)
Re: Odpojeni zadniho sterace
No používám jej když prsi ,jinac ne. I když bude za sucha stírat to mi nevadí. A o relé vim jenom se musí vyměnit nádoba a další moturek,to je další investice a do toho ted nejdu. Musím koupit přední brzdy a komplet podvozek. Takže nejlíp odpojit zadní stěrač ne
[color=#000000]Mirdova2908-Tempomat,4xEl.okna,Pp od davida a mnoho dalsich veci[/color]
Kia ceed 1.6crdi 94kw,2013
Kia ceed 1.6crdi 94kw,2013
- vasekpetr1
- Příspěvky: 3106
- Registrován: 24 led 2006, 08:33
- Bydliště: Červená Hospoda u Třebíče
Re: Odpojeni zadniho sterace
No pokud to chceš takto, tak vytáhni v pojistkovce relátko zadního stěrače (K6). Dej na něj prst a zapni stěrač - ucítíš, které spíná. Kdykoli to můžeš vrátit zpět.
Dřívější srdcovka, prodaná na díly pro UA: Astra 1,6 G caravan 99, motor X16SZR, 55 kW, VIN: W0L0TGF35X20326xx, tmavě zelená metalíza,
Nynější mazlík: Opel Zafira B, 1,9 TDCI - Z19DT - 2008, černá, najeto 170 tkm.
A menuju se Petr a né Vašek a žiju v Hospodě -:)
Nynější mazlík: Opel Zafira B, 1,9 TDCI - Z19DT - 2008, černá, najeto 170 tkm.
A menuju se Petr a né Vašek a žiju v Hospodě -:)
Re: Odpojeni zadniho sterace
je to taky reseni ale skoda ze to nejde ten cyklovac odpojit a zachovat setreni.A kdyz odpojim kablik u moturka pro cyklovac nemel by fungovat ne tedy stirat tri krat,ale zachovano to obyc-uvazuji nahlas
[color=#000000]Mirdova2908-Tempomat,4xEl.okna,Pp od davida a mnoho dalsich veci[/color]
Kia ceed 1.6crdi 94kw,2013
Kia ceed 1.6crdi 94kw,2013
- vasekpetr1
- Příspěvky: 3106
- Registrován: 24 led 2006, 08:33
- Bydliště: Červená Hospoda u Třebíče
Re: Odpojeni zadniho sterace
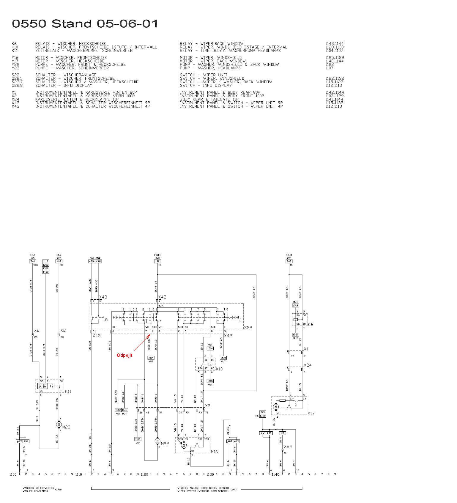
Přikládám schema, ale ještě mne napadlo zkusit odpojit černo-žlutý vodič z pinu 1 konektoru X42 na páčce stěrače - odchází do multitimeru a buď určuje počet cyklů při použití ostřiku nebo je to na něco jiného. Možná ti po odpojení přestane jít cykl při ostřiku předního okna - musíš vyzkoušet.
Dřívější srdcovka, prodaná na díly pro UA: Astra 1,6 G caravan 99, motor X16SZR, 55 kW, VIN: W0L0TGF35X20326xx, tmavě zelená metalíza,
Nynější mazlík: Opel Zafira B, 1,9 TDCI - Z19DT - 2008, černá, najeto 170 tkm.
A menuju se Petr a né Vašek a žiju v Hospodě -:)
Nynější mazlík: Opel Zafira B, 1,9 TDCI - Z19DT - 2008, černá, najeto 170 tkm.
A menuju se Petr a né Vašek a žiju v Hospodě -:)
Re: Odpojeni zadniho sterace
Jasné pokusim se zítra vyskouset a dam vědět kdyby te neco ještě napadlo klidně PiS a děkuji ti
[color=#000000]Mirdova2908-Tempomat,4xEl.okna,Pp od davida a mnoho dalsich veci[/color]
Kia ceed 1.6crdi 94kw,2013
Kia ceed 1.6crdi 94kw,2013