Zafira 1.8 16v 92kw Studený motor dusí,trasie až zhasne
- denny
- Příspěvky: 3292
- Registrován: 06 pro 2008, 15:20
- Bydliště: Brozany u Kuňky,Pardubice
- Kontaktovat uživatele:
Re: Zafira 1.8 16v 92kw Studený motor dusí,trasie až zhasne
Daniel 99-nemáš náhodou motor X18XE1 ?Tam je to známá finta.Jednotka je to Simtec 70.
Je to ale zcela jiný system než u motoru Z18XE,tam je jednotka Simtec 71.
Je to ale zcela jiný system než u motoru Z18XE,tam je jednotka Simtec 71.
- Reklama
Re: Zafira 1.8 16v 92kw Studený motor dusí,trasie až zhasne
ano mam X18XE1, ale podla priznakov je to presne ako moje. Tie vstreky sa tu uz riesili ale velmi tomu neverim, najazdil som na LPG 50.000km a po vymene vstrekov ziadna zmena. Podla mna je to v elektrike.
Re: Zafira 1.8 16v 92kw Studený motor dusí,trasie až zhasne
Daniel, ci veries alebo neveris je tuna uplne jedno.. Uz som sa zopar vstrekov na LPG autach namenil.. A myslim ze Denny tiez..
Porovnavas dva uplne ine motory.
Porovnavas dva uplne ine motory.
Opel Insignia 2,0 Cdti 2010
Opel Astra G 1,4 16V r.v. 1999 ex...
Opel Corsa B 1,2 16V r.v. 1999
Opel Astra G 1,4 16V r.v. 1999 ex...
Opel Corsa B 1,2 16V r.v. 1999
- D4nusKO
- Příspěvky: 149
- Registrován: 21 říj 2012, 11:20
- Bydliště: Partizánske-Malé Uherce
- Kontaktovat uživatele:
Re: Zafira 1.8 16v 92kw Studený motor dusí,trasie až zhasne
za skúšku tej kostry váhy vzduchu nič nedám
Landgon podľa teba sú to vstreky ? Budúci týždeň ich idem meniť...
Ope Astra G Coupe Bertone 1.8 16V 85kw X18XE1 - Súčasnosť
Ope Vectra C Caravan 1.9 110kw Z19DTH - Súčasnosť
Opel Astra F 1.6 16V 74kw X16XEL Caravan Sport - Minulosť-† 19.8.2015-Tvoje posledné kilometre
Opel Zafira A 1.8 16v 92kw Z18XE Elegance - Minulosť- Ty si ma toho veľa naučila !
Ope Vectra C Caravan 1.9 110kw Z19DTH - Súčasnosť
Opel Astra F 1.6 16V 74kw X16XEL Caravan Sport - Minulosť-† 19.8.2015-Tvoje posledné kilometre
Opel Zafira A 1.8 16v 92kw Z18XE Elegance - Minulosť- Ty si ma toho veľa naučila !
Re: Zafira 1.8 16v 92kw Studený motor dusí,trasie až zhasne
Ano, pisem ti to tu ja.. dobre.. nemusis mi verit.. beriem to.. Ale ked uz neveris Dennymu, tak to nechapem nie len ja, ale asi cele forum
Volnym okom zbadas, ze ten vstrekovac nie je v poriadku.
Volnym okom zbadas, ze ten vstrekovac nie je v poriadku.
Opel Insignia 2,0 Cdti 2010
Opel Astra G 1,4 16V r.v. 1999 ex...
Opel Corsa B 1,2 16V r.v. 1999
Opel Astra G 1,4 16V r.v. 1999 ex...
Opel Corsa B 1,2 16V r.v. 1999
- D4nusKO
- Příspěvky: 149
- Registrován: 21 říj 2012, 11:20
- Bydliště: Partizánske-Malé Uherce
- Kontaktovat uživatele:
Re: Zafira 1.8 16v 92kw Studený motor dusí,trasie až zhasne
ale ja ti verím ale ja skúšam všetko vstreky idem meniť budúci týždeň...V streky mi povedali aj keď som bol v TO na diagnostike origoš v Opli.Povedali mi tam vstreky aj mi to ukázal ale sám povedal že nech ešte pred výmenou vstrekov skúsim zapalovaciu lištu.Tu som v nedeľu skúsil moja nahodená v kamošovej Astre a všetko išlo ako má ja som si nahodil jeho a Zafira robila to iste neťahala blbla tak isto.Takže lišta to nieje.Tie vstreky vymením a uvidím.Mne to aj tak príde že to robia oni lebo ako keby sa nemôže dostať benzín do motora.Ono keď nemá ťah tak ho tak začne spomalovať celé až dusiť a keď ako keby sa tam dostane už ten benzín tak zrazu akceleruje a ide normálne pritom ho tak trhne.Tak po mojom laickom uvažovní a zamyslení sa nad tým to budu streky tak isto ako v Opli písala diagnostika... Diky za tvoje rady.Ešte táka vec že ak sa mi podari odstraniť tento problem skúsim tam nahodiť moju starú RJ na ktorú Teo povedal že má odpalený procák ale aj tak ju skúsim ak pôjde tak si jebnem hlavu o zem hneď...300€ vo vzduchu.Ale hlavne bude že sa mi to podari opraviť.Potom budem riešiť odrb od Tea ak to odrb bol... ale to je už iná kapitola prvorade je u mňa aby Zafča išla ako má.
Ope Astra G Coupe Bertone 1.8 16V 85kw X18XE1 - Súčasnosť
Ope Vectra C Caravan 1.9 110kw Z19DTH - Súčasnosť
Opel Astra F 1.6 16V 74kw X16XEL Caravan Sport - Minulosť-† 19.8.2015-Tvoje posledné kilometre
Opel Zafira A 1.8 16v 92kw Z18XE Elegance - Minulosť- Ty si ma toho veľa naučila !
Ope Vectra C Caravan 1.9 110kw Z19DTH - Súčasnosť
Opel Astra F 1.6 16V 74kw X16XEL Caravan Sport - Minulosť-† 19.8.2015-Tvoje posledné kilometre
Opel Zafira A 1.8 16v 92kw Z18XE Elegance - Minulosť- Ty si ma toho veľa naučila !
Re: Zafira 1.8 16v 92kw Studený motor dusí,trasie až zhasne
Teo zobral od teba 300€
A ked som ti pisal, nic mu neposielaj preco si ma neposluchal? Poznam ho osobne. Vies ako zacinal? Kradol autoradia v BA.. Jeho dielna? Obyc ako tak prerobena garaz, kde su naradia z Lidla.. Vybavenie ma tak akurat na Common Rail vstrekovace. ale na daky repas cerpadiel, RJ a pod nema absolutne nic.. Si neviem predstavit ako to na kolene chce robit..
Vies kolko ludi mu poutekalo? Ach.. skoda reci.....
A ked som ti pisal, nic mu neposielaj preco si ma neposluchal? Poznam ho osobne. Vies ako zacinal? Kradol autoradia v BA.. Jeho dielna? Obyc ako tak prerobena garaz, kde su naradia z Lidla.. Vybavenie ma tak akurat na Common Rail vstrekovace. ale na daky repas cerpadiel, RJ a pod nema absolutne nic.. Si neviem predstavit ako to na kolene chce robit..
Vies kolko ludi mu poutekalo? Ach.. skoda reci.....
Opel Insignia 2,0 Cdti 2010
Opel Astra G 1,4 16V r.v. 1999 ex...
Opel Corsa B 1,2 16V r.v. 1999
Opel Astra G 1,4 16V r.v. 1999 ex...
Opel Corsa B 1,2 16V r.v. 1999
-
HerryCZ
- Příspěvky: 3041
- Registrován: 03 bře 2009, 20:57
- Bydliště: Frydek-Mistek
- Kontaktovat uživatele:
Re: Zafira 1.8 16v 92kw Studený motor dusí,trasie až zhasne
Odpaleny procak, to snad slysim poprve. Treba se pletu, ale neodchazi prave v ECU kontakty, respektive propojeni se svorkovnici ?
- D4nusKO
- Příspěvky: 149
- Registrován: 21 říj 2012, 11:20
- Bydliště: Partizánske-Malé Uherce
- Kontaktovat uživatele:
Re: Zafira 1.8 16v 92kw Studený motor dusí,trasie až zhasne
neberiem ti tvoj názor.Išiel som nato dosť hr hr nechcel som meniť všetko RJ mi prišla ako vec čo by to napravila čo už.Častý jav u týchto motorov.Vďaka týmto problémom hh viem čo je to z18xe hh môžem napísať encyklopediu.Moju RJ mi vratil asi preto lebo k nej nemal imobilizer a imo čip.Ja tu moju potom skúsim nahodiť keď sa mi podari toto vyriešiť
Uvidíme.Ale silno verím tomu že bude fungovať neni na nej ani jeden náznak toho že by bola otvorená...Ešte otázka je to pravda to že LPGčko zanáša viac vstrekovače ? lebo o tom som veľa počul ale to je také isté ako jeden povedal že sa Alfa kazí hh.
Ope Astra G Coupe Bertone 1.8 16V 85kw X18XE1 - Súčasnosť
Ope Vectra C Caravan 1.9 110kw Z19DTH - Súčasnosť
Opel Astra F 1.6 16V 74kw X16XEL Caravan Sport - Minulosť-† 19.8.2015-Tvoje posledné kilometre
Opel Zafira A 1.8 16v 92kw Z18XE Elegance - Minulosť- Ty si ma toho veľa naučila !
Ope Vectra C Caravan 1.9 110kw Z19DTH - Súčasnosť
Opel Astra F 1.6 16V 74kw X16XEL Caravan Sport - Minulosť-† 19.8.2015-Tvoje posledné kilometre
Opel Zafira A 1.8 16v 92kw Z18XE Elegance - Minulosť- Ty si ma toho veľa naučila !
- denny
- Příspěvky: 3292
- Registrován: 06 pro 2008, 15:20
- Bydliště: Brozany u Kuňky,Pardubice
- Kontaktovat uživatele:
Re: Zafira 1.8 16v 92kw Studený motor dusí,trasie až zhasne
Tady je zapojení Simtec 70 pro motor X18XE1
vstřikovač
2
elektromagnetický odvzdušňovací ventil nádrže
3
palivové čerpadlo
8
motor ovládání rychlosti volnoběhu
11
zapalovací cívka
31
měřič hmotnosti protékajícího vzduchu
33
snímač polohy škrtící klapky
37
lambda sonda
39
magnetický snímač na klikovém hřídeli
40
Hallův/MRE snímač na vačkovém hřídeli
42
snímač teploty chladicí kapaliny
45
snímač klepání
80
klimatizace vzduchu
82
tachometr
83
diagnostická zásuvka
84
palubní deska
91
relé palivového čerpadla
100
řídicí jednotka
153
dvoupístový ventil
154
Řídicí elektromagnet recirkulace výfukových plynů
182
blokování startu
vstřikovač
2
elektromagnetický odvzdušňovací ventil nádrže
3
palivové čerpadlo
8
motor ovládání rychlosti volnoběhu
11
zapalovací cívka
31
měřič hmotnosti protékajícího vzduchu
33
snímač polohy škrtící klapky
37
lambda sonda
39
magnetický snímač na klikovém hřídeli
40
Hallův/MRE snímač na vačkovém hřídeli
42
snímač teploty chladicí kapaliny
45
snímač klepání
80
klimatizace vzduchu
82
tachometr
83
diagnostická zásuvka
84
palubní deska
91
relé palivového čerpadla
100
řídicí jednotka
153
dvoupístový ventil
154
Řídicí elektromagnet recirkulace výfukových plynů
182
blokování startu
Naposledy upravil(a) denny dne 14 led 2014, 22:56, celkem upraveno 3 x.
- denny
- Příspěvky: 3292
- Registrován: 06 pro 2008, 15:20
- Bydliště: Brozany u Kuňky,Pardubice
- Kontaktovat uživatele:
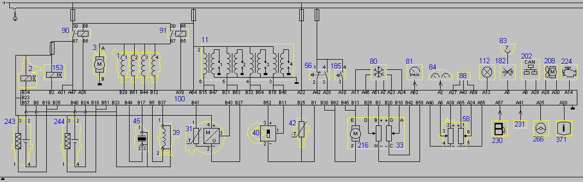
Re: Zafira 1.8 16v 92kw Studený motor dusí,trasie až zhasne
Tady je zapojení Simtec 71 pro motor Z18XE
31
měřič hmotnosti protékajícího vzduchu
33
snímač polohy škrtící klapky
39
magnetický snímač na klikovém hřídeli
40
Hallův/MRE snímač na vačkovém hřídeli
42
snímač teploty chladicí kapaliny
45
snímač klepání
56
spínač brzdového pedálu
58
snímač polohy pedálu plynu
80
klimatizace vzduchu
81
otáčkoměr
83
diagnostická zásuvka
84
palubní deska
88
tempomat
90
hlavní relé
91
relé palivového čerpadla
100
řídicí jednotka
112
varovná kontrolka motoru
153
dvoupístový ventil
182
blokování startu
185
spínač spojky
202
CAN-systém
208
větrák chlazení
216
motor ovládání škrtící klapky
224
kontrolka selhání
230
snímač hladiny paliva
231
signál rychlosti
243
lambda sonda před katalyzátorem
244
lambda sonda za katalyzátorem
266
elektronické servořízení
371
řídicí jednotka informačního displeje
P
31
měřič hmotnosti protékajícího vzduchu
33
snímač polohy škrtící klapky
39
magnetický snímač na klikovém hřídeli
40
Hallův/MRE snímač na vačkovém hřídeli
42
snímač teploty chladicí kapaliny
45
snímač klepání
56
spínač brzdového pedálu
58
snímač polohy pedálu plynu
80
klimatizace vzduchu
81
otáčkoměr
83
diagnostická zásuvka
84
palubní deska
88
tempomat
90
hlavní relé
91
relé palivového čerpadla
100
řídicí jednotka
112
varovná kontrolka motoru
153
dvoupístový ventil
182
blokování startu
185
spínač spojky
202
CAN-systém
208
větrák chlazení
216
motor ovládání škrtící klapky
224
kontrolka selhání
230
snímač hladiny paliva
231
signál rychlosti
243
lambda sonda před katalyzátorem
244
lambda sonda za katalyzátorem
266
elektronické servořízení
371
řídicí jednotka informačního displeje
P
-
jerry mouse
- Příspěvky: 3559
- Registrován: 01 srp 2009, 13:55
- Bydliště: červenomodrá TOTALITA. PO Vychod.
Re: Zafira 1.8 16v 92kw Studený motor dusí,trasie až zhasne
Denny trochu mimo temu: Je pravda že motory X18XE1 a Z18XE niesu ani zdaleka take super ako X18XE čo je iný level hlavne kvalitou a vydržou. 
ZA-22dtr mt6-f40 Silver Elegance m03 (aktuálne 393tkm) No-Kat No-EGR.Alzaf 285tkm,bolo AstraF-1,6 8V combi. Pokiaľ nie som tu tak, som určite niekde inde.. ešte sa nestalo, že by som nebol absolútne nikde.. Alfamobil +421 948 833 957 alebo Pevný 0905 833 957
- D4nusKO
- Příspěvky: 149
- Registrován: 21 říj 2012, 11:20
- Bydliště: Partizánske-Malé Uherce
- Kontaktovat uživatele:
Re: Zafira 1.8 16v 92kw Studený motor dusí,trasie až zhasne
motory X18XE neviem ako sú nato s vydržou ale mám doma v Fku X16XE a sním neni ani najmenší problém.Jedine čo sa robilo je že som čistil EGR ventil.Inač diky za tu schému dneska chcem ukostriť tu váhu vzduchu a koncom týždňa mi dojdu vstreky vymením ich a uvidíme.
Ope Astra G Coupe Bertone 1.8 16V 85kw X18XE1 - Súčasnosť
Ope Vectra C Caravan 1.9 110kw Z19DTH - Súčasnosť
Opel Astra F 1.6 16V 74kw X16XEL Caravan Sport - Minulosť-† 19.8.2015-Tvoje posledné kilometre
Opel Zafira A 1.8 16v 92kw Z18XE Elegance - Minulosť- Ty si ma toho veľa naučila !
Ope Vectra C Caravan 1.9 110kw Z19DTH - Súčasnosť
Opel Astra F 1.6 16V 74kw X16XEL Caravan Sport - Minulosť-† 19.8.2015-Tvoje posledné kilometre
Opel Zafira A 1.8 16v 92kw Z18XE Elegance - Minulosť- Ty si ma toho veľa naučila !
- D4nusKO
- Příspěvky: 149
- Registrován: 21 říj 2012, 11:20
- Bydliště: Partizánske-Malé Uherce
- Kontaktovat uživatele:
Re: Zafira 1.8 16v 92kw Studený motor dusí,trasie až zhasne
Vstreky sú už na ceste ku mne
dneska som spravil tu kostru na váhu vzduchu.Zajtra ráno uvidím či to trocha pomôže...Nech je už pondelok a budu aj vstreky nahodené.Sa už teším jak malý chlapec.
Ope Astra G Coupe Bertone 1.8 16V 85kw X18XE1 - Súčasnosť
Ope Vectra C Caravan 1.9 110kw Z19DTH - Súčasnosť
Opel Astra F 1.6 16V 74kw X16XEL Caravan Sport - Minulosť-† 19.8.2015-Tvoje posledné kilometre
Opel Zafira A 1.8 16v 92kw Z18XE Elegance - Minulosť- Ty si ma toho veľa naučila !
Ope Vectra C Caravan 1.9 110kw Z19DTH - Súčasnosť
Opel Astra F 1.6 16V 74kw X16XEL Caravan Sport - Minulosť-† 19.8.2015-Tvoje posledné kilometre
Opel Zafira A 1.8 16v 92kw Z18XE Elegance - Minulosť- Ty si ma toho veľa naučila !
- D4nusKO
- Příspěvky: 149
- Registrován: 21 říj 2012, 11:20
- Bydliště: Partizánske-Malé Uherce
- Kontaktovat uživatele:
Re: Zafira 1.8 16v 92kw Studený motor dusí,trasie až zhasne
váha vzduchu ukostrená trocha sa tie štarty zlepšili už prišli aj vstreky pondelok sa letí do servisu na ich výmenu 
Ope Astra G Coupe Bertone 1.8 16V 85kw X18XE1 - Súčasnosť
Ope Vectra C Caravan 1.9 110kw Z19DTH - Súčasnosť
Opel Astra F 1.6 16V 74kw X16XEL Caravan Sport - Minulosť-† 19.8.2015-Tvoje posledné kilometre
Opel Zafira A 1.8 16v 92kw Z18XE Elegance - Minulosť- Ty si ma toho veľa naučila !
Ope Vectra C Caravan 1.9 110kw Z19DTH - Súčasnosť
Opel Astra F 1.6 16V 74kw X16XEL Caravan Sport - Minulosť-† 19.8.2015-Tvoje posledné kilometre
Opel Zafira A 1.8 16v 92kw Z18XE Elegance - Minulosť- Ty si ma toho veľa naučila !

