Zdravím.
Mám problém s páčkou na tempomat. Vím že páčka na astru mám mít 4 obsazené piny... Ale sehnal jsem si od známého páčku která má piny jenom 2. Mohl by mi někdo prosím popsat ty 4 piny u astry? A který z nich má být trvale seplý.
Předem děkuji za jakoukoliv odpověď.
Páčka tempomatu z omegy
- Reklama
- vasekpetr1
- Příspěvky: 3106
- Registrován: 24 led 2006, 08:33
- Bydliště: Červená Hospoda u Třebíče
Re: Páčka tempomatu z omegy
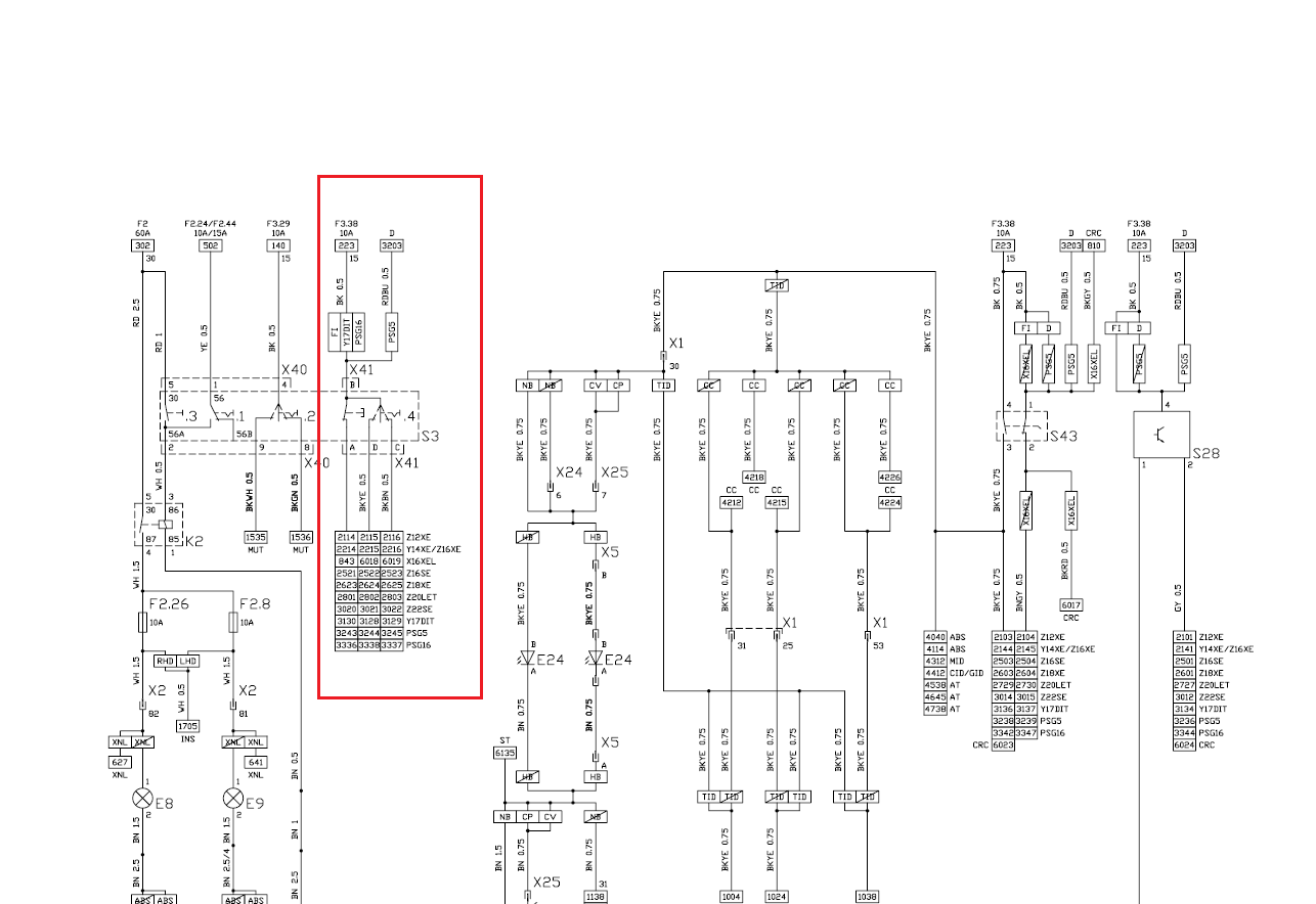
Snad pomůže výřez ze schématu:
B - napájení
A - výstup klidového kontaktu do ŘJ motoru
C, D - výstupy do ŘJ motoru
B - napájení
A - výstup klidového kontaktu do ŘJ motoru
C, D - výstupy do ŘJ motoru
Dřívější srdcovka, prodaná na díly pro UA: Astra 1,6 G caravan 99, motor X16SZR, 55 kW, VIN: W0L0TGF35X20326xx, tmavě zelená metalíza,
Nynější mazlík: Opel Zafira B, 1,9 TDCI - Z19DT - 2008, černá, najeto 170 tkm.
A menuju se Petr a né Vašek a žiju v Hospodě -:)
Nynější mazlík: Opel Zafira B, 1,9 TDCI - Z19DT - 2008, černá, najeto 170 tkm.
A menuju se Petr a né Vašek a žiju v Hospodě -:)
Re: Páčka tempomatu z omegy
Jo. To je přesně ono
Díky moc 
Re: Páčka tempomatu z omegy
Tu packu co mas predaj. Je trocha raritna. pasuje na 2,5Td Omegu.
Ty si kup to co tam ma ist. Tie packy uz su jak zadarmo..
http://www.opel-shop.sk/www-opel-shop-s ... pomat-Opel
Ty si kup to co tam ma ist. Tie packy uz su jak zadarmo..
http://www.opel-shop.sk/www-opel-shop-s ... pomat-Opel
Opel Insignia 2,0 Cdti 2010
Opel Astra G 1,4 16V r.v. 1999 ex...
Opel Corsa B 1,2 16V r.v. 1999
Opel Astra G 1,4 16V r.v. 1999 ex...
Opel Corsa B 1,2 16V r.v. 1999
Re: Páčka tempomatu z omegy
Možná zbytečný se jí zbavovat, dá se to celkem jednoduše předělat, stačí sundat z desky, co je vevnitř, ty blbince co jsou tam napájený a napájet dva dráty na výstupy z toho přepínače práce tak zhruba na 20minut.
Opel Astra G Caravan 1,8 16v Comfort - MAZLIK
Opel Astra G 3dv. 1.6 16v Comfort
Opel Astra G 3dv. 1.6 16v Comfort
Re: Páčka tempomatu z omegy
pospa: Přesně. Proč se jí zbavovat když stačí přepájet? Oddělám ty odpory a dám místo nich dráty. Šlo mi jen o to kterej spínač jde do jaký pozice.