Přídavný Otáčkoměr
-
pinkpanter1
- Příspěvky: 3
- Registrován: 20 srp 2011, 10:50
Přídavný Otáčkoměr
Chlapi prosím o pomoc. Koupil jsem si na Astru F budíky i s otáčkoměrem (v základu tam nebyli a vypadalo to takhle http://www.sbazar.cz/img/big/24/6897124_1.jpg )a koupil jsem si za to (http://www.bazos.cz/obr/1/593/13711593.jpg) ale po připojení nefunguje otáčkoměr mám podezření že tam není neveden kabel . A zde je ten problém jestli ho mám navést tak nevím odkud, koukal jsem do schémat ale nikde jsem nenašel kde to má vést. Předem Díky za rady.
Jedná se o Opel Astra F 1.6i rv.1994 motor X16SZ 52kw
Jedná se o Opel Astra F 1.6i rv.1994 motor X16SZ 52kw
- Reklama
- vasekpetr1
- Příspěvky: 3106
- Registrován: 24 led 2006, 08:33
- Bydliště: Červená Hospoda u Třebíče
Re: Přídavný Otáčkoměr
Díval jsem se, že jsi to zkoušel i na http://www.opelastra.cz fóru a taky ti moc neporadili.
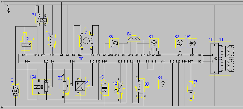
Tady je řídící jednotka Multec použitá v X16SZR a pro otáčkoměr se využívá vývod A9 (případně A29) na řídící jednotce. Zkusil bych to tam připojit, jestli se otáčkoměr nerozjede.
Tady je řídící jednotka Multec použitá v X16SZR a pro otáčkoměr se využívá vývod A9 (případně A29) na řídící jednotce. Zkusil bych to tam připojit, jestli se otáčkoměr nerozjede.
Dřívější srdcovka, prodaná na díly pro UA: Astra 1,6 G caravan 99, motor X16SZR, 55 kW, VIN: W0L0TGF35X20326xx, tmavě zelená metalíza,
Nynější mazlík: Opel Zafira B, 1,9 TDCI - Z19DT - 2008, černá, najeto 170 tkm.
A menuju se Petr a né Vašek a žiju v Hospodě -:)
Nynější mazlík: Opel Zafira B, 1,9 TDCI - Z19DT - 2008, černá, najeto 170 tkm.
A menuju se Petr a né Vašek a žiju v Hospodě -:)
-
pinkpanter1
- Příspěvky: 3
- Registrován: 20 srp 2011, 10:50
Re: Přídavný Otáčkoměr
Ale problém je ještě v tom že nevím kde to mám na těch budíkách ze zadu přepinovat protože k tomu nemám žádné schéma
- vasekpetr1
- Příspěvky: 3106
- Registrován: 24 led 2006, 08:33
- Bydliště: Červená Hospoda u Třebíče
Re: Přídavný Otáčkoměr
Všechno aby ti člověk hledal...
tady na pozici 543 máš zapojení otáčkoměru, tak z něj to snad vypátráš.
tady na pozici 543 máš zapojení otáčkoměru, tak z něj to snad vypátráš.
Dřívější srdcovka, prodaná na díly pro UA: Astra 1,6 G caravan 99, motor X16SZR, 55 kW, VIN: W0L0TGF35X20326xx, tmavě zelená metalíza,
Nynější mazlík: Opel Zafira B, 1,9 TDCI - Z19DT - 2008, černá, najeto 170 tkm.
A menuju se Petr a né Vašek a žiju v Hospodě -:)
Nynější mazlík: Opel Zafira B, 1,9 TDCI - Z19DT - 2008, černá, najeto 170 tkm.
A menuju se Petr a né Vašek a žiju v Hospodě -:)
Re: Přídavný Otáčkoměr
caute chcel by som si dorobit do mojej astry F otackomer len samotny budik niekde na palubovku ak zozenem taky. Moja otázka znie ako ten otáčkomer zapojiť tu v téme som našiel že sa to pripája na RJ. Kde najdem v astre F classic 1999 motor X14NZ RJ a pojde to ked to tam zapojim? nasiel som tieto otackometre:
http://www.ebay.com/itm/Black-Shell-2-5 ... 15&vxp=mtr
http://www.ebay.com/itm/Pointer-2-52mm- ... e3&vxp=mtr.
Napajanie nieje problem vyviest ale ako sa dostat k kablu z RJ je niekde vyvedeny? Viem ze by mal byt pri budikoch ale tie nechcem menit
http://www.ebay.com/itm/Black-Shell-2-5 ... 15&vxp=mtr
http://www.ebay.com/itm/Pointer-2-52mm- ... e3&vxp=mtr.
Napajanie nieje problem vyviest ale ako sa dostat k kablu z RJ je niekde vyvedeny? Viem ze by mal byt pri budikoch ale tie nechcem menit
Opel astra f classic rv.1999 hatchback X14NZ
- vasekpetr1
- Příspěvky: 3106
- Registrován: 24 led 2006, 08:33
- Bydliště: Červená Hospoda u Třebíče
Re: Přídavný Otáčkoměr
Podle schemat na stránce http://www.opelastra.cz by to měl být zelený vodič 0,75mm z řídící jednotky do přístrojovky na otáčkoměr (linie 544 na schematu). Ve svazku bys to měl najít. Konektor X21 pin 8 za přístrojovkou.
Dřívější srdcovka, prodaná na díly pro UA: Astra 1,6 G caravan 99, motor X16SZR, 55 kW, VIN: W0L0TGF35X20326xx, tmavě zelená metalíza,
Nynější mazlík: Opel Zafira B, 1,9 TDCI - Z19DT - 2008, černá, najeto 170 tkm.
A menuju se Petr a né Vašek a žiju v Hospodě -:)
Nynější mazlík: Opel Zafira B, 1,9 TDCI - Z19DT - 2008, černá, najeto 170 tkm.
A menuju se Petr a né Vašek a žiju v Hospodě -:)
Re: Přídavný Otáčkoměr
Tie schemy som nasiel ale nevyznam sa v tom. Takze aby som sa dostal k tomu kablu je potrebne rozobrat pristrojovku? Neda sa k nemu dostat jednoduchsie lebo pristrojovku rozoberat nechcem. http://www.opelastra.cz/forum/read.php?4,21569,page=2 tu som nasiel ze sa to pripaja na indukcnu cievku taktiez zeleny kabel da sa to pripojit aj takto?
Opel astra f classic rv.1999 hatchback X14NZ
- vasekpetr1
- Příspěvky: 3106
- Registrován: 24 led 2006, 08:33
- Bydliště: Červená Hospoda u Třebíče
Re: Přídavný Otáčkoměr
Jestli jsem to dobře pochopil, tak s tou indukční cívkou to funguje tam,kde není řídící jednotka. Zkus vytahnout tu přístrojovku - bude to nejjednodušší cesta, jak se dostat k tomu potenciálu.
Dřívější srdcovka, prodaná na díly pro UA: Astra 1,6 G caravan 99, motor X16SZR, 55 kW, VIN: W0L0TGF35X20326xx, tmavě zelená metalíza,
Nynější mazlík: Opel Zafira B, 1,9 TDCI - Z19DT - 2008, černá, najeto 170 tkm.
A menuju se Petr a né Vašek a žiju v Hospodě -:)
Nynější mazlík: Opel Zafira B, 1,9 TDCI - Z19DT - 2008, černá, najeto 170 tkm.
A menuju se Petr a né Vašek a žiju v Hospodě -:)
Re: Přídavný Otáčkoměr
Pristrojovku nechcem rozoberat myslel som ze to bude jednoduchsie pristupne ten signal k otackomeru ale ked sa to inak neda tak sa na to vykaslem lebo preto som chcel otackomer ako samotny budik aby som nemusel vyberat pristrojovku ale len dotiahnut signal.Mozno po case zozenem pristrojovku s otackomerom a vymenim to
Opel astra f classic rv.1999 hatchback X14NZ
- vasekpetr1
- Příspěvky: 3106
- Registrován: 24 led 2006, 08:33
- Bydliště: Červená Hospoda u Třebíče
Re: Přídavný Otáčkoměr
Na vrakáči určitě seženeš. A ten potenciál by stejně bylo lepší tahat ze svazku v kabině, než v motoru a pak to pracně protahovat dovnitř.
Dřívější srdcovka, prodaná na díly pro UA: Astra 1,6 G caravan 99, motor X16SZR, 55 kW, VIN: W0L0TGF35X20326xx, tmavě zelená metalíza,
Nynější mazlík: Opel Zafira B, 1,9 TDCI - Z19DT - 2008, černá, najeto 170 tkm.
A menuju se Petr a né Vašek a žiju v Hospodě -:)
Nynější mazlík: Opel Zafira B, 1,9 TDCI - Z19DT - 2008, černá, najeto 170 tkm.
A menuju se Petr a né Vašek a žiju v Hospodě -:)
Re: Přídavný Otáčkoměr
Pozeral som v motore tu indukcnu cievku ide odtial zeleny kablik je to ten na otackomer?Tu pristrojovku zacnem zhanat asi ale niesom moc na taketo vymeny neviem ci sa mi to podari
keby sa tu volakdo najde z okolia piestan ktory by mi s tym pomohol samozrejme za odmenu bol by som rad.
Opel astra f classic rv.1999 hatchback X14NZ
- vasekpetr1
- Příspěvky: 3106
- Registrován: 24 led 2006, 08:33
- Bydliště: Červená Hospoda u Třebíče
Re: Přídavný Otáčkoměr
Je nemilé, že na ten tvůj motor jsem na dané stránce schema nenašel. Je tam několik motorů, které mají zelený kabel na zapalovací cívku, ale i tak výstup na otáčkoměr je využitý z jiného potenciálu. Najdi si na vrakáči efkovou astru, zkus si to, jak dostat přístrojovku ven, pokud se ti to povede (nemyslím si, že by to bylo nějak náročné), tak je vyměň.
Dřívější srdcovka, prodaná na díly pro UA: Astra 1,6 G caravan 99, motor X16SZR, 55 kW, VIN: W0L0TGF35X20326xx, tmavě zelená metalíza,
Nynější mazlík: Opel Zafira B, 1,9 TDCI - Z19DT - 2008, černá, najeto 170 tkm.
A menuju se Petr a né Vašek a žiju v Hospodě -:)
Nynější mazlík: Opel Zafira B, 1,9 TDCI - Z19DT - 2008, černá, najeto 170 tkm.
A menuju se Petr a né Vašek a žiju v Hospodě -:)
Re: Přídavný Otáčkoměr
Chcem sa spytat ci by sa dal pripojit otackomer niekde na konektor ktory je pri poistkach pod volantom je to asi konektor na diagnostiku.Pripadne ci by mi nieco taketo fungovalo http://www.ebay.com/itm/Mini-V2-1-OBD2- ... 84&vxp=mtr. Mam opel astra f classic 1999.
Opel astra f classic rv.1999 hatchback X14NZ
Re: Přídavný Otáčkoměr
Podobny OBD2 modul jsem si poridil primo pres cinsky obchod za cca 4$. Sparovani s Androidem bez problemu (kod 1234), soucasti byl i Torque. Ten ukaze jak otackomer, tak rychlomer plus hromadu dalsich veci (mnozstvi paliva, spotreba, predpokladany vykon motoru, atd).mato1168 píše:Chcem sa spytat ci by sa dal pripojit otackomer niekde na konektor ktory je pri poistkach pod volantom je to asi konektor na diagnostiku.Pripadne ci by mi nieco taketo fungovalo http://www.ebay.com/itm/Mini-V2-1-OBD2- ... 84&vxp=mtr. Mam opel astra f classic 1999.
Jedinou nevyhodou je ze i presto ze modul je maly (vysoky jen par centimetru), tak jsem zatim nenasel jak ho schovat pod originalni zadeklovani interieru.
Re: Přídavný Otáčkoměr
Caute po dlhsom som sa rozhodol vymenit pristrojovku. Vymenil som ju ale nejde otackomer. V tom zvazku x21 nemam osadeny pin 8 mal by to byt zeleny kabel. Odkial by sa dal doviest k pristrojovke? Niekde som nasiel z ide z alternatoru zo svorky w alebo zo zapalovacej cievky zeleny kabel. Ten tam aj mam zapojeny v cievke.
Opel astra f classic rv.1999 hatchback X14NZ