Hledám člověka TECH 2
Hledám člověka TECH 2
Zdravím, vzhledem k tomu že 85% fóra je mrtvý tak píšu takto. Vyměnil jsem si páčku s tempomatem a nefunguje. Dočetl jsem se že se musí asi pomocí tech2 zapnout. A protože vůbec nemám ponětí o těch diagnostikách tak nevím jaká to umí. Potřeboval bych někoho kdo mi zapne tempomat a co si za to řekne v Praze a okolí. Případně severní čechy by se dali taky. Děkuji za info....
- Reklama
-
jerry mouse
- Příspěvky: 3559
- Registrován: 01 srp 2009, 13:55
- Bydliště: červenomodrá TOTALITA. PO Vychod.
Re: Hledám člověka TECH 2
maš dizel AG alebo benzin a aky ročnik? V pripade ak to montuješ na dizel tak len doplniš spominanu Tempo pačku a aj obyčajnym OP-com mom to povoliš ale iba v pripade AG u AH to neviem potvrdiť, ale ak maš tam benzin motor tak je toho trocha viac dorobiť!

ZA-22dtr mt6-f40 Silver Elegance m03 (aktuálne 393tkm) No-Kat No-EGR.Alzaf 285tkm,bolo AstraF-1,6 8V combi. Pokiaľ nie som tu tak, som určite niekde inde.. ešte sa nestalo, že by som nebol absolútne nikde.. Alfamobil +421 948 833 957 alebo Pevný 0905 833 957
Re: Hledám člověka TECH 2
Nenapsal jsi, co máš za motor. Chyba.
A jestli sháníš Tech 2, můžeš mít jedině Z16YNG. Nebo něco z origo plynem cng.
Jinak to postrádá smysl a stačí opcom.
A jestli sháníš Tech 2, můžeš mít jedině Z16YNG. Nebo něco z origo plynem cng.
Jinak to postrádá smysl a stačí opcom.
Naposledy upravil(a) Alzafir dne 21 zář 2015, 09:24, celkem upraveno 1 x.
Zafira 2,2DTi Elegance 2005, Y22DTR, Diag. OP COM (EN v.1.45), EGR emulátor
Re: Hledám člověka TECH 2
Ak zhanas niekoho kto ma Tech2,tak ho ma Vojta.On je z Liberca.
Potom na opcom je tu vela ludi.Mam ho napr.aj ja.Som z Mladej Boleslavi,ale su tu chalani,co maju diagnostiku a su z Prahy

Potom na opcom je tu vela ludi.Mam ho napr.aj ja.Som z Mladej Boleslavi,ale su tu chalani,co maju diagnostiku a su z Prahy
Re: Hledám člověka TECH 2
Jó, zapoměl jsem to napsat. Astra G 98 X17DTL.
Re: Hledám člověka TECH 2
Hmm, tak tady už to taky umřelo...
Re: Hledám člověka TECH 2
RDan píše:Hmm, tak tady už to taky umřelo...
Zkus se podívat tady určitě tam někoho najdeš
https://www.astra-g.cz/forum/download/f ... &mode=view
Opel Astra H GTC 1.9 CDTI 110 kW
pajakuv ASTROLET.
Opel Astra G caravan 2.2 DTI Y22DTR r.v.2004 .....EX
pajakova Esmeralda, EGR šidítko by Alzafir od 254 500 km
pajakuv ASTROLET.
Opel Astra G caravan 2.2 DTI Y22DTR r.v.2004 .....EX
pajakova Esmeralda, EGR šidítko by Alzafir od 254 500 km
Re: Hledám člověka TECH 2
Však jsem psal, stačí opcom, co chceš víc?RDan píše:Hmm, tak tady už to taky umřelo...
Zafira 2,2DTi Elegance 2005, Y22DTR, Diag. OP COM (EN v.1.45), EGR emulátor
Re: Hledám člověka TECH 2
Jo tak aha, tak to sorry. Já myslel že je nutné znát motorizaci k určení problému 
Re: Hledám člověka TECH 2
Nechci strašit, ale Vojta psal v tématu (dodatečná montáž tempomatu) ,že na 1,7 tempomat nejde dodělat.
ZAFIRA 1,8 Elegance 2001 Z18XE
Re: Hledám člověka TECH 2
No já jsem tu právě našel dost protichůdné informace ale došel jsem k tomu že pokud je tam kabel u páčky a je to stejnej typ jednotky jako u 2.0 tak by to mělo jít.
Re: Hledám člověka TECH 2
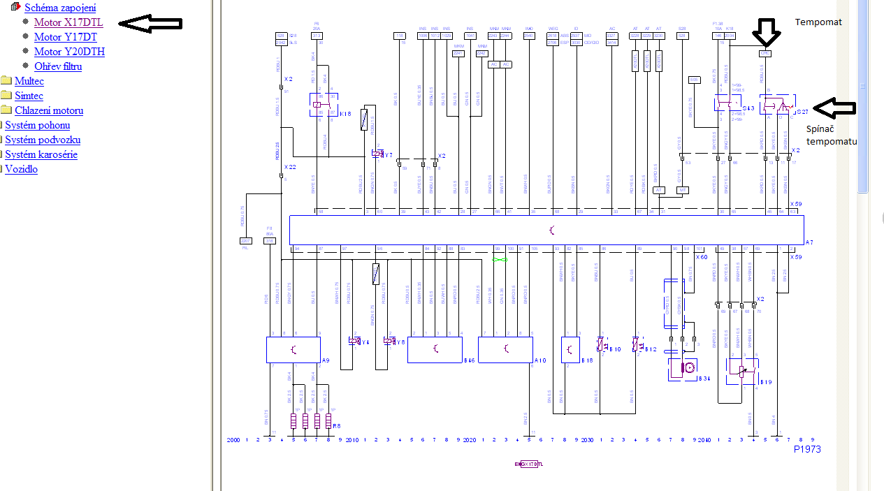
Aha aha aha, teď jsem celej večer pročítal a zjistil jsem že dlouho tu všichni tvrdili že x17dtl tempomat neumí ale pak jeden psal že pouze nejsou kabely do jednotky. Dá se to nějak jednoduše proměřit?
Jinak v TISu mi to na moje auto ukazuje shodnou jednotku tempomatu jako na všechny jiné motory.
Na druhou stranu je tu spojení jen na ESP a ABS. Do jednotky auta nic....
Jinak v TISu mi to na moje auto ukazuje shodnou jednotku tempomatu jako na všechny jiné motory.
Na druhou stranu je tu spojení jen na ESP a ABS. Do jednotky auta nic....
Re: Hledám člověka TECH 2
Jasný takže x17dtl a x20dtl mají nějaký regulátor rychlosti oproti ostaním motorům kde jde páčka rovnou do jednotky.
Tuší někdo kde je ten regulátor rychlosti, teda kde má být?
Tuší někdo kde je ten regulátor rychlosti, teda kde má být?
-
jerry mouse
- Příspěvky: 3559
- Registrován: 01 srp 2009, 13:55
- Bydliště: červenomodrá TOTALITA. PO Vychod.
Re: Hledám člověka TECH 2
...maš čerpadlo čerpadlo ovladane lankom alebo elektronicky? Ja tie motory vôbec nepoznam
tak preto taka to otazka! 
ZA-22dtr mt6-f40 Silver Elegance m03 (aktuálne 393tkm) No-Kat No-EGR.Alzaf 285tkm,bolo AstraF-1,6 8V combi. Pokiaľ nie som tu tak, som určite niekde inde.. ešte sa nestalo, že by som nebol absolútne nikde.. Alfamobil +421 948 833 957 alebo Pevný 0905 833 957