Ahoj vsem hľadal som už všade ale nemôžem stale nato prist od vtedy ako som auto nabural mi začne svietiť kontrolka chladenia ale až vždy ked motor dosiahne teplotu cca 92 stupňov až vtedy sa zopne vetrak a zasvieti ta kontrolka a ostane svietiť až pokiaľ znova nenastartujem auto ide normálne ale sa mi zdá že vetrak sa točí slabo auto sa neprehrieva.Chyby tu 00022 - Pushing Blower Motor, Low Input
Not present
00021 - Pushing Blower Motor, Malfunction
Not present
00011 - Sucking Blower Motor, Malfunction
Not present
Kontrolka chladenia
Kontrolka chladenia
Opel Astra F C14NZ 44 KW R.I.P
Opel Astra G Y20DTH 74KW r.v.2000
Opel Astra G Y20DTH 74KW r.v.2000
- Reklama
Re: Kontrolka chladenia
A este jedna otázka môže to byť tým že ked zapne vetrak chladenia motora ma sa snim aj zapnúť vetrak klimi je to pravda?Lebo ked som aj odpojil cidlo motora zapol sa iba vetrak motora ďakujem
Opel Astra F C14NZ 44 KW R.I.P
Opel Astra G Y20DTH 74KW r.v.2000
Opel Astra G Y20DTH 74KW r.v.2000
- vasekpetr1
- Příspěvky: 3106
- Registrován: 24 led 2006, 08:33
- Bydliště: Červená Hospoda u Třebíče
Re: Kontrolka chladenia
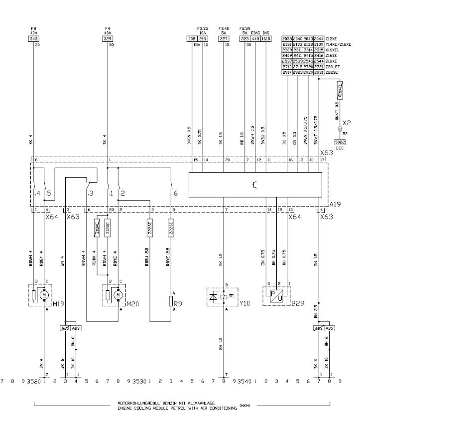
Máš v pořádku všechny pojistky v prostoru motoru vedle ŘJ? Připadne mi to, že na jeden větrák ti chybí napájení. Pojistky F4 a F8 (obě 40A). Nebo je ten motor ventilátoru v háji, případně odpor.
A pokud odpojíš čidlo teploty vody, tak ŘJ vyhodnotí vysokou teplotu a spustí oba větráky naplno. Nedostala ránu při té bouračce i ŘJ chlazení, když je umístěná u chladiče vpředu?
A pokud odpojíš čidlo teploty vody, tak ŘJ vyhodnotí vysokou teplotu a spustí oba větráky naplno. Nedostala ránu při té bouračce i ŘJ chlazení, když je umístěná u chladiče vpředu?
Dřívější srdcovka, prodaná na díly pro UA: Astra 1,6 G caravan 99, motor X16SZR, 55 kW, VIN: W0L0TGF35X20326xx, tmavě zelená metalíza,
Nynější mazlík: Opel Zafira B, 1,9 TDCI - Z19DT - 2008, černá, najeto 170 tkm.
A menuju se Petr a né Vašek a žiju v Hospodě -:)
Nynější mazlík: Opel Zafira B, 1,9 TDCI - Z19DT - 2008, černá, najeto 170 tkm.
A menuju se Petr a né Vašek a žiju v Hospodě -:)
Re: Kontrolka chladenia
Poistky su v poriadku v časti pod volantom a v časti motora pri skrinke s relatkami na ohrev paliva ak si myslel tam tie poistky F4 a F8 tak som skontroloval radšej vsetky je ich tam osem.Ventilátor Ide aj odpor na nom skúšal som napriamo obi dva idú a ked odpojim cidlo teploty ide len vetrak motora sahara nič.RJ som pozeral nevidel som na nej nič take poškodené jediné asi teda skúsiť kúpiť a vymeniť a ranu asi dostala ked odletela celá predná maska 
Opel Astra F C14NZ 44 KW R.I.P
Opel Astra G Y20DTH 74KW r.v.2000
Opel Astra G Y20DTH 74KW r.v.2000
Re: Kontrolka chladenia
Zaujímavé je že ked odpojim konektor z chladiča klímy tak mi zasvieti kontrolka hneď ako ho zapojím potom tak mi ju zasvieti až ked sa prvý krát zopne chladenie ale ani v jednom prípadne mi nejdú oby dva naraz
Opel Astra F C14NZ 44 KW R.I.P
Opel Astra G Y20DTH 74KW r.v.2000
Opel Astra G Y20DTH 74KW r.v.2000
- pKsUaBnEeSc
- Příspěvky: 92
- Registrován: 03 srp 2013, 18:37
- Bydliště: Země
Re: Kontrolka chladenia
TŘEBA NĚJAKÉ BLBÉ ČIDLO??? JÁ kdž odpojím konektor ta běží větráky na chladiči samy od sebe při vyplém zapalování.
Re: Kontrolka chladenia
Vsak aj mne len ta bláznivá sahara nejdepKsUaBnEeSc píše:TŘEBA NĚJAKÉ BLBÉ ČIDLO??? JÁ kdž odpojím konektor ta běží větráky na chladiči samy od sebe při vyplém zapalování.
Opel Astra F C14NZ 44 KW R.I.P
Opel Astra G Y20DTH 74KW r.v.2000
Opel Astra G Y20DTH 74KW r.v.2000
- vasekpetr1
- Příspěvky: 3106
- Registrován: 24 led 2006, 08:33
- Bydliště: Červená Hospoda u Třebíče
Re: Kontrolka chladenia
Čidlo na chladiči klimy je dle mého názoru čidlo tlaku a podle naměřené hodnoty spíná a odstavuje spojka kompresoru a dle toho vyhazuje chybu. Tlak se musí pohybovat v určitých rozmezích (ani málo, ani moc - rozpojeno/vykráceno), jinak svítí porucha.Fulo3 píše:Zaujímavé je že ked odpojim konektor z chladiča klímy tak mi zasvieti kontrolka hneď ako ho zapojím potom tak mi ju zasvieti až ked sa prvý krát zopne chladenie ale ani v jednom prípadne mi nejdú oby dva naraz
Dřívější srdcovka, prodaná na díly pro UA: Astra 1,6 G caravan 99, motor X16SZR, 55 kW, VIN: W0L0TGF35X20326xx, tmavě zelená metalíza,
Nynější mazlík: Opel Zafira B, 1,9 TDCI - Z19DT - 2008, černá, najeto 170 tkm.
A menuju se Petr a né Vašek a žiju v Hospodě -:)
Nynější mazlík: Opel Zafira B, 1,9 TDCI - Z19DT - 2008, černá, najeto 170 tkm.
A menuju se Petr a né Vašek a žiju v Hospodě -:)