zkratovany okruh brzdovych svetel

Palubní počítač, Tempomat, automatické nastavení sklonu světlometů, váha vzduchu, navigace, barevný displej
Odpovědět
Uživatelský avatar
wolf_
Příspěvky: 17
Registrován: 16 pro 2009, 19:07

zkratovany okruh brzdovych svetel

Příspěvek od wolf_ »

ahoj,

po drobne kolizi jsem si nechal menit predni svetla a naraznik, bohuzel mi pri tom nekde blbe zapojili okruh brzdovych svetel a vysledkem je, ze sviti trvale (brzdovy spinac je ok - i kdyz ho vyndam, okruh je porad uzavreny).

tu opravu mi delal znamy znamyho za symbolickou cenu, takze reklamace nepripada v uvahu :D

snazil jsem se najit nejaky schemata, ale jediny jsem nasel tohle a nejsem z toho moc moudrej... http://www.opelastra.cz/technika/schemata.htm

dokazal by prosim nekdo poradit, co a kde mam asi tak hledat? dekuju
Astra G Caravan | 1999 | X16SZR
Reklama
 

Uživatelský avatar
vasekpetr1
Příspěvky: 3106
Registrován: 24 led 2006, 08:33
Bydliště: Červená Hospoda u Třebíče

Re: zkratovany okruh brzdovych svetel

Příspěvek od vasekpetr1 »

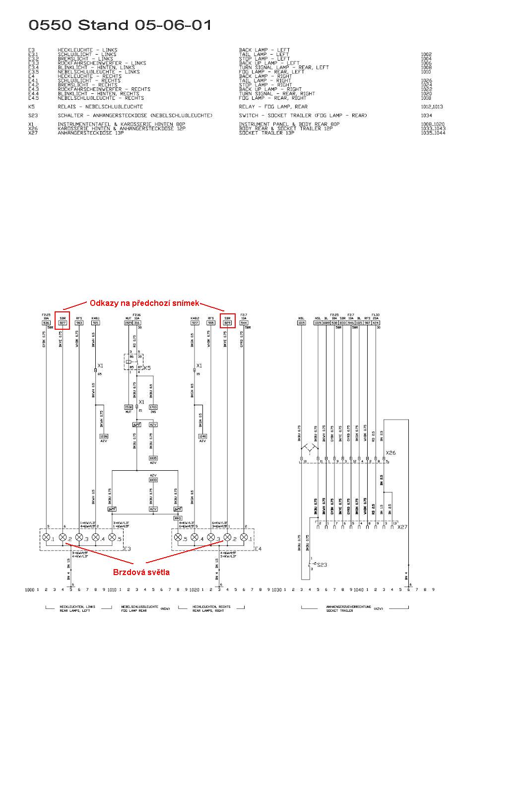
To jsou schemata "efkové" astry. Posílám ti schema zapojení světel, spínač a propojení v konektorech. Konektor X1 (A sloupek u nohou řidiče) nedoporučuji rozepínat, ale prověř kabely v průchodce 5. dveří. Pokud ovládáš němčinu případně anglinu, vyčteš ze schematu, kde konektory hledat. Máš karavan, tak sleduj okénka s CV. Přeškrtnutý HB znamenají auta bez hatchbacku - čili i tvoje. V tom schématu vidíš i barvy a tloušťky vodičů, tak i podle toho se dá dohledat. Nemáš použitý Check Control?
Přílohy
Brzdová světla1.JPG
Brzdová světla.JPG
Dřívější srdcovka, prodaná na díly pro UA: Astra 1,6 G caravan 99, motor X16SZR, 55 kW, VIN: W0L0TGF35X20326xx, tmavě zelená metalíza,
Nynější mazlík: Opel Zafira B, 1,9 TDCI - Z19DT - 2008, černá, najeto 170 tkm.

A menuju se Petr a né Vašek a žiju v Hospodě -:)
Uživatelský avatar
vasekpetr1
Příspěvky: 3106
Registrován: 24 led 2006, 08:33
Bydliště: Červená Hospoda u Třebíče

Re: zkratovany okruh brzdovych svetel

Příspěvek od vasekpetr1 »

A kardinální otázka: svítí ti skutečně brzdová světla? Svítí i třetí brzdové světlo? Nejsou to třeba zadní mlhovky?
Dřívější srdcovka, prodaná na díly pro UA: Astra 1,6 G caravan 99, motor X16SZR, 55 kW, VIN: W0L0TGF35X20326xx, tmavě zelená metalíza,
Nynější mazlík: Opel Zafira B, 1,9 TDCI - Z19DT - 2008, černá, najeto 170 tkm.

A menuju se Petr a né Vašek a žiju v Hospodě -:)
Uživatelský avatar
wolf_
Příspěvky: 17
Registrován: 16 pro 2009, 19:07

Re: zkratovany okruh brzdovych svetel

Příspěvek od wolf_ »

ahoj,

dekuju moc!

to schema snad pomuze, jinak ano - jsem si jistej, ze jsou to brzdy a sviti i treti brzdovy...
Astra G Caravan | 1999 | X16SZR
Uživatelský avatar
wolf_
Příspěvky: 17
Registrován: 16 pro 2009, 19:07

Re: zkratovany okruh brzdovych svetel

Příspěvek od wolf_ »

tak nakonec to byly rozlamany draty do tech patych dveri, mimo jiny mi pak zaclo svitit i svetlo v nakladovym prostoru a predpokladam, ze zaclo fungovat i vyhrivani zadniho skla :D

diky za radu
Astra G Caravan | 1999 | X16SZR
Uživatelský avatar
vasekpetr1
Příspěvky: 3106
Registrován: 24 led 2006, 08:33
Bydliště: Červená Hospoda u Třebíče

Re: zkratovany okruh brzdovych svetel

Příspěvek od vasekpetr1 »

Vítej mezi námi, toto je chronická nemoc aster, hlavně kombajnů - i já už opravoval dráty v pátých dveřích 8) .
Dřívější srdcovka, prodaná na díly pro UA: Astra 1,6 G caravan 99, motor X16SZR, 55 kW, VIN: W0L0TGF35X20326xx, tmavě zelená metalíza,
Nynější mazlík: Opel Zafira B, 1,9 TDCI - Z19DT - 2008, černá, najeto 170 tkm.

A menuju se Petr a né Vašek a žiju v Hospodě -:)
Odpovědět