svorkovnice tachometru

Palubní počítač, Tempomat, automatické nastavení sklonu světlometů, váha vzduchu, navigace, barevný displej
Odpovědět
syrecek
Příspěvky: 221
Registrován: 09 led 2011, 14:33

svorkovnice tachometru

Příspěvek od syrecek »

nemůžete mi prosím někdo napsat ve svorkovnici k tachometru jaká je barva drátku který vede do kontrolky od elektroniky motoru(auto s klíčkem) předělávali mi tachometr i tu svorkovnici a špatně mi zapojili tu kontrolku tak bych potřeboval vědět barvu toho drátku a kam se má přesně zapojit
Opel Astra Classic 2 1,4 16w twinport / r.v.2005
Reklama
 

Uživatelský avatar
vasekpetr1
Příspěvky: 3106
Registrován: 24 led 2006, 08:33
Bydliště: Červená Hospoda u Třebíče

Re: svorkovnice tachometru

Příspěvek od vasekpetr1 »

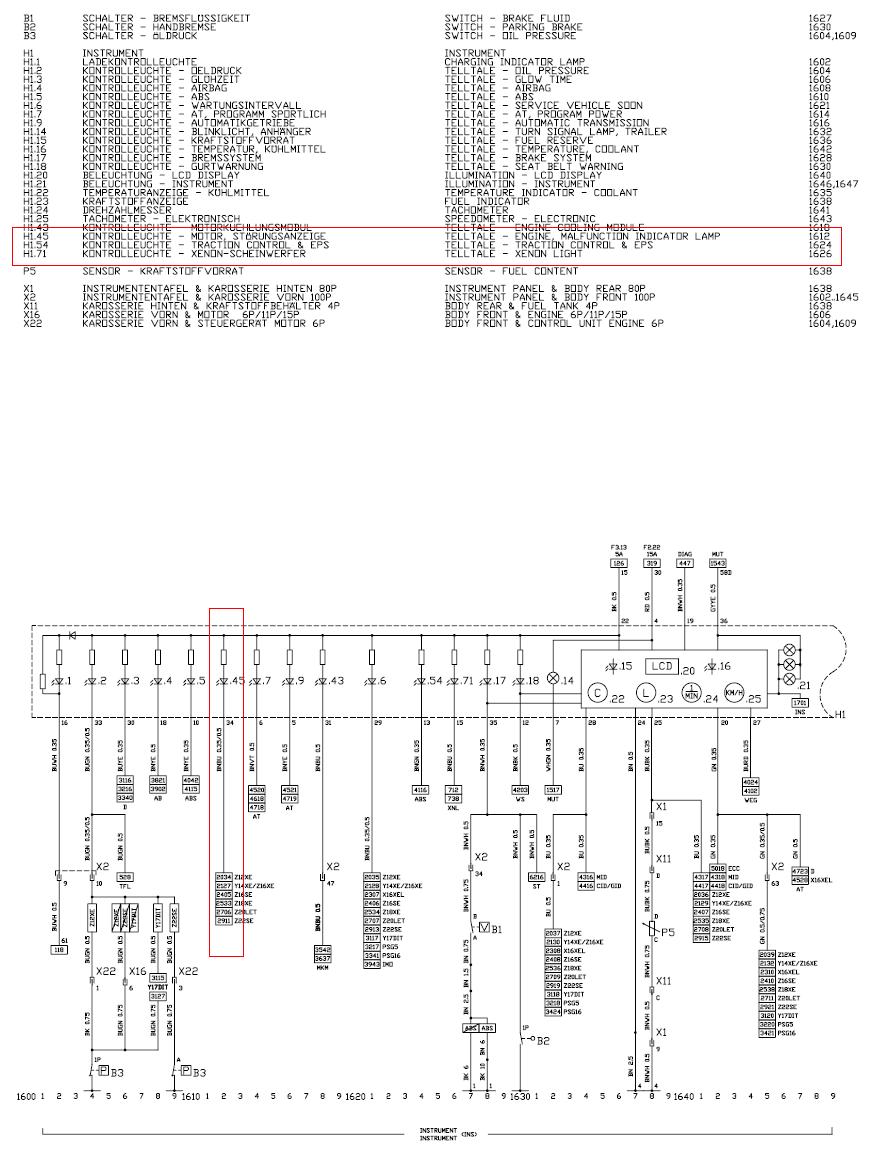
Viděl bych to na H1.45 a barva vodiče BNBU čili jak říkáme my germanisti: hnědo-modrý s průměrem 0,35/0,5 mm. A svorka by to měla být č: 34.
Přílohy
Kontrolka motoru.JPG
Dřívější srdcovka, prodaná na díly pro UA: Astra 1,6 G caravan 99, motor X16SZR, 55 kW, VIN: W0L0TGF35X20326xx, tmavě zelená metalíza,
Nynější mazlík: Opel Zafira B, 1,9 TDCI - Z19DT - 2008, černá, najeto 170 tkm.

A menuju se Petr a né Vašek a žiju v Hospodě -:)
Odpovědět