Kabely v průchodkách - kontrola, oprava
Re: Kabely v průchodkách - kontrola, oprava
Díky....
Někde jsem četl že hnědý a hnědožluty, tak jsem z toho jelen.....
Někde jsem četl že hnědý a hnědožluty, tak jsem z toho jelen.....
Astra G 1.6 8v Comfort rv 98
Brno
Brno
- Reklama
- vasekpetr1
- Příspěvky: 3106
- Registrován: 24 led 2006, 08:33
- Bydliště: Červená Hospoda u Třebíče
Re: Kabely v průchodkách - kontrola, oprava
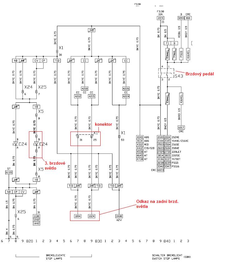
Tak koukej u 3. světla
BKYE - blackyellow čili černožlutý
BN - brown čili hnědý, což je kostrč
BKYE - blackyellow čili černožlutý
BN - brown čili hnědý, což je kostrč
Dřívější srdcovka, prodaná na díly pro UA: Astra 1,6 G caravan 99, motor X16SZR, 55 kW, VIN: W0L0TGF35X20326xx, tmavě zelená metalíza,
Nynější mazlík: Opel Zafira B, 1,9 TDCI - Z19DT - 2008, černá, najeto 170 tkm.
A menuju se Petr a né Vašek a žiju v Hospodě -:)
Nynější mazlík: Opel Zafira B, 1,9 TDCI - Z19DT - 2008, černá, najeto 170 tkm.
A menuju se Petr a né Vašek a žiju v Hospodě -:)
Re: Kabely v průchodkách - kontrola, oprava
Díky za pomoc už je mi to jasný.......
Astra G 1.6 8v Comfort rv 98
Brno
Brno
Re: Kabely v průchodkách - kontrola, oprava
Jak se mam dostat prosim k tem kablum? Nejde mi to sundat 
Astra G 2.0 DTi caravan
- vasekpetr1
- Příspěvky: 3106
- Registrován: 24 led 2006, 08:33
- Bydliště: Červená Hospoda u Třebíče
Re: Kabely v průchodkách - kontrola, oprava
Průchodka do prostoru zadní části vozu se pootočí, až se uvolní zářez a potom nejlépe tentým šroubovákem odpáčíš 2 trny, které drží průchodku v kastli. Tady jsou ty západky trochu vidět.
Dřívější srdcovka, prodaná na díly pro UA: Astra 1,6 G caravan 99, motor X16SZR, 55 kW, VIN: W0L0TGF35X20326xx, tmavě zelená metalíza,
Nynější mazlík: Opel Zafira B, 1,9 TDCI - Z19DT - 2008, černá, najeto 170 tkm.
A menuju se Petr a né Vašek a žiju v Hospodě -:)
Nynější mazlík: Opel Zafira B, 1,9 TDCI - Z19DT - 2008, černá, najeto 170 tkm.
A menuju se Petr a né Vašek a žiju v Hospodě -:)
- Mike.S
- Příspěvky: 8169
- Registrován: 28 zář 2007, 13:15
- Bydliště: Slovácko - Podluží
- Kontaktovat uživatele:
Re: Kabely v průchodkách - kontrola, oprava
Dá se někde vyčíst počet a průměr vodičů do zadních dveří u Zafiry s el. stahovačkama, repro a centrálem?
mám to už jednou spojované, ale rozhodl jsem se rozhodit vnitřní krytí prahu, dráty pod ním ostříhat a nahradit je až do dveří novými. Btw, jak se vypichují piny z konektoru pomocí vypichováku? A co z těchto spojek byste doporučili, příp. máte s tím někdo zkušenosti?
faston - dutinka
faston 2
TS L spojka
kovový faston
mám to už jednou spojované, ale rozhodl jsem se rozhodit vnitřní krytí prahu, dráty pod ním ostříhat a nahradit je až do dveří novými. Btw, jak se vypichují piny z konektoru pomocí vypichováku? A co z těchto spojek byste doporučili, příp. máte s tím někdo zkušenosti?
faston - dutinka
faston 2
TS L spojka
kovový faston
Old cars:
Škoda 120L
Škoda Felicia Combi LXi
Actual car:
..........Holden Zafira|1.8 16V|Z18XE|by Mike.S.........
Škoda 120L
Škoda Felicia Combi LXi
Actual car:
..........Holden Zafira|1.8 16V|Z18XE|by Mike.S.........
- vasekpetr1
- Příspěvky: 3106
- Registrován: 24 led 2006, 08:33
- Bydliště: Červená Hospoda u Třebíče
Re: Kabely v průchodkách - kontrola, oprava
No Miku, ze schematu to přece vyčteš. Konektor X9 pro levé zadní, X10 pro pravé zadní.
1) centrální zamykání -
piny:
4 - BKRD - černočervený 0,75
5 - BKYE - černožlutý 0,75
6 - BKBU - černomodrý 0,75
2) stahování oken -
piny:
1 - RD - červený 2,5
9 - RDYE - červenožlutý 0,75
10 - GY - šedý 0,5
11 - BU - modrý 0,5
3) Repro
piny:
3 - GN - zelený 0,75
8 - BNGN - hnědozelený 0,75
Snad jsem na nic dalšího v zadních dveřích nezapomněl. Už mně nic nenapadá. No a co se týče napojení: s dutinkami není problém, pakliže máš vhodné krimpovací kleště. Horší to bude s fastony ve vlastním konektoru dveří - ty se pokus nejdříve sehnat, pak můžeš uvažovat o kompletní výměně.
1) centrální zamykání -
piny:
4 - BKRD - černočervený 0,75
5 - BKYE - černožlutý 0,75
6 - BKBU - černomodrý 0,75
2) stahování oken -
piny:
1 - RD - červený 2,5
9 - RDYE - červenožlutý 0,75
10 - GY - šedý 0,5
11 - BU - modrý 0,5
3) Repro
piny:
3 - GN - zelený 0,75
8 - BNGN - hnědozelený 0,75
Snad jsem na nic dalšího v zadních dveřích nezapomněl. Už mně nic nenapadá. No a co se týče napojení: s dutinkami není problém, pakliže máš vhodné krimpovací kleště. Horší to bude s fastony ve vlastním konektoru dveří - ty se pokus nejdříve sehnat, pak můžeš uvažovat o kompletní výměně.
Dřívější srdcovka, prodaná na díly pro UA: Astra 1,6 G caravan 99, motor X16SZR, 55 kW, VIN: W0L0TGF35X20326xx, tmavě zelená metalíza,
Nynější mazlík: Opel Zafira B, 1,9 TDCI - Z19DT - 2008, černá, najeto 170 tkm.
A menuju se Petr a né Vašek a žiju v Hospodě -:)
Nynější mazlík: Opel Zafira B, 1,9 TDCI - Z19DT - 2008, černá, najeto 170 tkm.
A menuju se Petr a né Vašek a žiju v Hospodě -:)
- Mike.S
- Příspěvky: 8169
- Registrován: 28 zář 2007, 13:15
- Bydliště: Slovácko - Podluží
- Kontaktovat uživatele:
Re: Kabely v průchodkách - kontrola, oprava
díky za výpis vodičů, to je z TISu? mohl bys mi sem prosím Tě hodit obrázek toho schématu? a jak je to s těmi piny a fastony? v tom konektoru jsou před piny ještě nějaké fastony? 
Old cars:
Škoda 120L
Škoda Felicia Combi LXi
Actual car:
..........Holden Zafira|1.8 16V|Z18XE|by Mike.S.........
Škoda 120L
Škoda Felicia Combi LXi
Actual car:
..........Holden Zafira|1.8 16V|Z18XE|by Mike.S.........
- vasekpetr1
- Příspěvky: 3106
- Registrován: 24 led 2006, 08:33
- Bydliště: Červená Hospoda u Třebíče
Re: Kabely v průchodkách - kontrola, oprava
Vyčetl jsem to ze schemat, TIS nemám. Dám ti sem ta schemata, které jsem zde už kdysi postnul:
a ohledně fastonů - tak se nazývají ty jednotlivé kontakty (samec a samice) umístěné přímo v konektoru.
Dřívější srdcovka, prodaná na díly pro UA: Astra 1,6 G caravan 99, motor X16SZR, 55 kW, VIN: W0L0TGF35X20326xx, tmavě zelená metalíza,
Nynější mazlík: Opel Zafira B, 1,9 TDCI - Z19DT - 2008, černá, najeto 170 tkm.
A menuju se Petr a né Vašek a žiju v Hospodě -:)
Nynější mazlík: Opel Zafira B, 1,9 TDCI - Z19DT - 2008, černá, najeto 170 tkm.
A menuju se Petr a né Vašek a žiju v Hospodě -:)
- Mike.S
- Příspěvky: 8169
- Registrován: 28 zář 2007, 13:15
- Bydliště: Slovácko - Podluží
- Kontaktovat uživatele:
Re: Kabely v průchodkách - kontrola, oprava
díky za obrázky, co je faston vím, ale nevěděl jsem, jak je to nacpané do toho konektrou, takže pokud to budu chtít měnit, musím koupit ještě piny, protože ty vodiče se z toho budou dost blbě vyndávat a potom zase vracet
a ten vypichovák pinlů je k čemu? k tomu abych to dostal z toho konektoru?
a ten vypichovák pinlů je k čemu? k tomu abych to dostal z toho konektoru?
Old cars:
Škoda 120L
Škoda Felicia Combi LXi
Actual car:
..........Holden Zafira|1.8 16V|Z18XE|by Mike.S.........
Škoda 120L
Škoda Felicia Combi LXi
Actual car:
..........Holden Zafira|1.8 16V|Z18XE|by Mike.S.........
- vasekpetr1
- Příspěvky: 3106
- Registrován: 24 led 2006, 08:33
- Bydliště: Červená Hospoda u Třebíče
Re: Kabely v průchodkách - kontrola, oprava
Tak, tak. Ten vypichovák vlastně odblokuje ten aretační zobáček, který drží faston v tělese konektoru a ty jej pak pohodlně z konektoru vytáhneš i s vodičem. Jinak to musíš pracně dolovat buď ostrou pinzetou nebo pomocí sedlářských špendlíků (tak to dělám já, ale je to piplačka).
Myslím že Denny nebo RomanK tady ten vypichovák ukazovali v některém z příspěvků (kdoví, jestli ne zrovna tady v kabelech
).
Myslím že Denny nebo RomanK tady ten vypichovák ukazovali v některém z příspěvků (kdoví, jestli ne zrovna tady v kabelech
Dřívější srdcovka, prodaná na díly pro UA: Astra 1,6 G caravan 99, motor X16SZR, 55 kW, VIN: W0L0TGF35X20326xx, tmavě zelená metalíza,
Nynější mazlík: Opel Zafira B, 1,9 TDCI - Z19DT - 2008, černá, najeto 170 tkm.
A menuju se Petr a né Vašek a žiju v Hospodě -:)
Nynější mazlík: Opel Zafira B, 1,9 TDCI - Z19DT - 2008, černá, najeto 170 tkm.
A menuju se Petr a né Vašek a žiju v Hospodě -:)
- pavel kotulán
- Příspěvky: 215
- Registrován: 06 črc 2007, 10:11
- Kontaktovat uživatele:
Re: Kabely v průchodkách - kontrola, oprava
čus, tak jsem taky na toto téma musel kouknout a stějně si nevím rady! Minulý týden jsem dojel na benzínu, že natankuji. Zastavím, chcípnu motor a nejde mi otevřít víčko nádrže! Tak jsem poodjel mimo stojan a že načtu centrál a nic. nechal jsem rozsvícená světla a chci chcípnout motor - vyndám klíček a motor stále běžel!!!!!
Po telefonátu s Romanem jsem juknul na průchodku u kufru a ejhle - jen dva kabely držely a byly oholené a zbytek přecvakanej! Tak jsem koupil opravnou sadu v ACI a o víkendu jsem to propojil! Ale stále mi to dělá neplechu: Motor běží i při vyndání klíčku, ale jen když mám zaplé parkovačky, nebo světla - když světla vypnu tak to chcípne! Dále: nestrčím klíč do zapalování a otočím ovládání třeba jen na parkovačky a rozsvítí se mi budíky, středový tunel a kontrolky!!!! A stále nejde centrál!!!
Dnes jsem tak odjel do Prahy a po příjezdu: svítilo mi pořád zadní brzdové světlo a cvrkal stále zámek u kufru - tak jsem ho odpojil!
myslím, že jsem to zapojil správně, nedá se to splést - jen dva dráty tam byly přecvaknuté stejné barvy - černožluté a nevěděl jsem který je ke kterému - když jsem to zapojil, tak nešel ani motůrek na kufru, tak jsem ty dráty přehodil a začal motůrek opět vrčet, jako kdyby pořád zavíral a svítilo opět brzdové světlo!
Tak jsem se podíval na průchodky zadních dveří, protože mi říkal Ronman, že to zlobí ještě tam! Tak na pravé straně se zdají dobré ale na levé jsou zase oholené - viz foto! vyměním i tedy kabely u obou zadních dveří, ale nemyslím, že by ty problémy skončily!
Chci se optat zda by byla nějaká rada, nebo někdo kdo by se na to juknul! Díky moc
Dnes jsem tak odjel do Prahy a po příjezdu: svítilo mi pořád zadní brzdové světlo a cvrkal stále zámek u kufru - tak jsem ho odpojil!
myslím, že jsem to zapojil správně, nedá se to splést - jen dva dráty tam byly přecvaknuté stejné barvy - černožluté a nevěděl jsem který je ke kterému - když jsem to zapojil, tak nešel ani motůrek na kufru, tak jsem ty dráty přehodil a začal motůrek opět vrčet, jako kdyby pořád zavíral a svítilo opět brzdové světlo!
Tak jsem se podíval na průchodky zadních dveří, protože mi říkal Ronman, že to zlobí ještě tam! Tak na pravé straně se zdají dobré ale na levé jsou zase oholené - viz foto! vyměním i tedy kabely u obou zadních dveří, ale nemyslím, že by ty problémy skončily!
Chci se optat zda by byla nějaká rada, nebo někdo kdo by se na to juknul! Díky moc
- Mike.S
- Příspěvky: 8169
- Registrován: 28 zář 2007, 13:15
- Bydliště: Slovácko - Podluží
- Kontaktovat uživatele:
Re: Kabely v průchodkách - kontrola, oprava
zkus zkontrolovat ukostření baterky ...
jaká je prosím Tě kvalita toho opravného svazku? a barevně ty vodiče sedí?
jaká je prosím Tě kvalita toho opravného svazku? a barevně ty vodiče sedí?
Old cars:
Škoda 120L
Škoda Felicia Combi LXi
Actual car:
..........Holden Zafira|1.8 16V|Z18XE|by Mike.S.........
Škoda 120L
Škoda Felicia Combi LXi
Actual car:
..........Holden Zafira|1.8 16V|Z18XE|by Mike.S.........
- pavel kotulán
- Příspěvky: 215
- Registrován: 06 črc 2007, 10:11
- Kontaktovat uživatele:
Re: Kabely v průchodkách - kontrola, oprava
barevně moc ne, ale jsou tam dva dráty silnější a když je rozpojíš, tak nemůžeš splést! a na to ukostření se taky podívám
- pavel kotulán
- Příspěvky: 215
- Registrován: 06 črc 2007, 10:11
- Kontaktovat uživatele:
Re: Kabely v průchodkách - kontrola, oprava
zdar chlapi, nevíte někdo, kdo by se mi na to kouknul v Praze a okolí?