Pojistka stěračů

Palubní počítač, Tempomat, automatické nastavení sklonu světlometů, váha vzduchu, navigace, barevný displej
DoktorHoly
Příspěvky: 38
Registrován: 27 led 2011, 12:11
Bydliště: Praha

Pojistka stěračů

Příspěvek od DoktorHoly »

Zdravím. Nevím, zda tady není už takové téma, ale nenašel jsem ho.. :-) Mám problém - v pondělí, po pužití stěračů jsem páčkou vypnul všechny stěrače, a při dalším zapnutí se nestalo nic.. našel jsem přepílenou pojistku stěračů (asi společná i pro ostřikovače - také nejdou) pojistu jsem vyměnil, ale po prvním použití stejný problém. Setkal se s tím někdo? co může být příčinou? Díky.. DoktorHoly. Mám Astru 1.8i 16V r.v.:1998, pětidvířko.
Astra G Hatchback r.v.98, X18XE1 - 85kW
Reklama
 

Uživatelský avatar
vasekpetr1
Příspěvky: 3106
Registrován: 24 led 2006, 08:33
Bydliště: Červená Hospoda u Třebíče

Re: Pojistka stěračů

Příspěvek od vasekpetr1 »

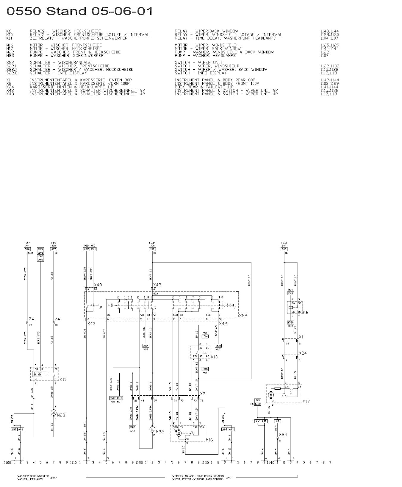
Toto vlákno na konci strany 11 a odtud dál se dočteš, že nejčastější závada jsou přidřené osičky táhel stěračů. Rozebrat, vyčistit, namazat, složit a frčíš dál. A pojistky F3.14 (30A) pro přední stěrač s ostřikovačem a F3.31 (20A) pro zadní stěrač.
sterace.JPG
P.S. Popis vozu s typem motoru doporučuji umístit do podpisu 8) . Uživatelský panel → Profil → Podpis
Dřívější srdcovka, prodaná na díly pro UA: Astra 1,6 G caravan 99, motor X16SZR, 55 kW, VIN: W0L0TGF35X20326xx, tmavě zelená metalíza,
Nynější mazlík: Opel Zafira B, 1,9 TDCI - Z19DT - 2008, černá, najeto 170 tkm.

A menuju se Petr a né Vašek a žiju v Hospodě -:)
DoktorHoly
Příspěvky: 38
Registrován: 27 led 2011, 12:11
Bydliště: Praha

Re: Pojistka stěračů

Příspěvek od DoktorHoly »

Díky za radu, kouknu na to.. vypaluje mi to tu 30ku pojistku.. :-)
Astra G Hatchback r.v.98, X18XE1 - 85kW
DoktorHoly
Příspěvky: 38
Registrován: 27 led 2011, 12:11
Bydliště: Praha

Re: Pojistka stěračů

Příspěvek od DoktorHoly »

Zdravím. Tak táhla a osyčky jsou vyčištěné a promazané, ale problém trvá dál. Někdy pojistka schoří rovnou, a někdy funguje chvilku. Zaparkuju, vypnu stěrače a zapalování, a při dalším zapnutí klíčku, i když jsou stěrače vypnuté to tu pojistku vypálí.. :-( v těchto deštivých dnech je to tedy nic moc :-( setkal se s tím někdo? Díky. Lukáš
Astra G Hatchback r.v.98, X18XE1 - 85kW
Uživatelský avatar
vasekpetr1
Příspěvky: 3106
Registrován: 24 led 2006, 08:33
Bydliště: Červená Hospoda u Třebíče

Re: Pojistka stěračů

Příspěvek od vasekpetr1 »

I když máš stěrače vypnuté, tak se napětí z pojistky dostává na doběhový kontakt v motorku stěračů. Takže bych se podíval i dovnitř na kontakt, jestli není problém tady. Čili motorek ven, rozdělat, očistit, zkontrolovat na případné zkraty, proměřit, promazat, složit.
Dřívější srdcovka, prodaná na díly pro UA: Astra 1,6 G caravan 99, motor X16SZR, 55 kW, VIN: W0L0TGF35X20326xx, tmavě zelená metalíza,
Nynější mazlík: Opel Zafira B, 1,9 TDCI - Z19DT - 2008, černá, najeto 170 tkm.

A menuju se Petr a né Vašek a žiju v Hospodě -:)
Uživatelský avatar
Fritol
Příspěvky: 2005
Registrován: 21 led 2009, 20:20
Bydliště: Hradec Kralové
Kontaktovat uživatele:

Re: Pojistka stěračů

Příspěvek od Fritol »

neni to i pro stěrač v patych dveřích ? podivej se na pruchodku patejch dveří jestli tam nemaš přervany kabely...
ASTRA-G-2.0 -X20DTL,Hatchback 5dv.1998
Diagnostika: op-com v.1.39 (CZ) / Hradec Kralové a okolí
Uživatelský avatar
vasekpetr1
Příspěvky: 3106
Registrován: 24 led 2006, 08:33
Bydliště: Červená Hospoda u Třebíče

Re: Pojistka stěračů

Příspěvek od vasekpetr1 »

Fritol píše:neni to i pro stěrač v patych dveřích ? podivej se na pruchodku patejch dveří jestli tam nemaš přervany kabely...
Podle schematu by zadní utěrák měl být z pojistky F3.31 (20A), ale doktor tvrdí, že mu lítá ven pojistka F3.14 (30A). Navíc má hatchback, tak nevím, jestli je se zadním stěračem. Ale tu průchodku zkontrolovat není špatný nápad - pakliže ji má.
Dřívější srdcovka, prodaná na díly pro UA: Astra 1,6 G caravan 99, motor X16SZR, 55 kW, VIN: W0L0TGF35X20326xx, tmavě zelená metalíza,
Nynější mazlík: Opel Zafira B, 1,9 TDCI - Z19DT - 2008, černá, najeto 170 tkm.

A menuju se Petr a né Vašek a žiju v Hospodě -:)
Uživatelský avatar
Fritol
Příspěvky: 2005
Registrován: 21 led 2009, 20:20
Bydliště: Hradec Kralové
Kontaktovat uživatele:

Re: Pojistka stěračů

Příspěvek od Fritol »

htb maji stěrač pokud ho nějaky doveda neodstranil..
ASTRA-G-2.0 -X20DTL,Hatchback 5dv.1998
Diagnostika: op-com v.1.39 (CZ) / Hradec Kralové a okolí
DoktorHoly
Příspěvky: 38
Registrován: 27 led 2011, 12:11
Bydliště: Praha

Re: Pojistka stěračů

Příspěvek od DoktorHoly »

Díky za rady, to s tím doběhem se mi jeví celkem reálně... kouknu na to, jinak je to tak, vypaluje mi to 30 pojistku a prestanou jit predni i zadni sterace a ostrikovace. No ale kouknu i po te pruchodce.. :-) Jeste je tu jeden problem, nevim jestli s tim muze mit neco do cineni kdyz v okruhu steracu dojde ke skratu, ale kdyz zamknu dalkou auto, nekdy se stane, ze se na prvni zmacknuti zamkne i zavora, a auto pak dalkou nejde odemknout, pouze se odemkne zavora (podle zvuku). Nevím jestli ten zkrat steracu to nemuze nejak rozhodit. Co myslíte?
Astra G Hatchback r.v.98, X18XE1 - 85kW
Uživatelský avatar
Fritol
Příspěvky: 2005
Registrován: 21 led 2009, 20:20
Bydliště: Hradec Kralové
Kontaktovat uživatele:

Re: Pojistka stěračů

Příspěvek od Fritol »

mrkni na tu pruchodku 5tych dveří...
ASTRA-G-2.0 -X20DTL,Hatchback 5dv.1998
Diagnostika: op-com v.1.39 (CZ) / Hradec Kralové a okolí
Uživatelský avatar
vasekpetr1
Příspěvky: 3106
Registrován: 24 led 2006, 08:33
Bydliště: Červená Hospoda u Třebíče

Re: Pojistka stěračů

Příspěvek od vasekpetr1 »

DoktorHoly píše: prestanou jit predni i zadni sterace a ostrikovace. No ale kouknu i po te pruchodce..
Mrkni na schema ve vláknu...napájení relátka pro zadní stěrač a motorek ostřikovače jde přes páčku z pojistky, která ti odchází, proto nic nejede. Ale to s tím zamykáním hodně nahrává průchodce...
Dřívější srdcovka, prodaná na díly pro UA: Astra 1,6 G caravan 99, motor X16SZR, 55 kW, VIN: W0L0TGF35X20326xx, tmavě zelená metalíza,
Nynější mazlík: Opel Zafira B, 1,9 TDCI - Z19DT - 2008, černá, najeto 170 tkm.

A menuju se Petr a né Vašek a žiju v Hospodě -:)
DoktorHoly
Příspěvky: 38
Registrován: 27 led 2011, 12:11
Bydliště: Praha

Re: Pojistka stěračů

Příspěvek od DoktorHoly »

Centrál na kufru nejde vůbec a ty ostatní dveře se čas od času rozhodí jak jsem psal, v tom případě všem zatím mockrát díky za rady, na průchodku ještě dnes mrknu.. :-)
Astra G Hatchback r.v.98, X18XE1 - 85kW
DoktorHoly
Příspěvky: 38
Registrován: 27 led 2011, 12:11
Bydliště: Praha

Re: Pojistka stěračů

Příspěvek od DoktorHoly »

Ahoj. Dříve jsem se nedostal k internetu, tak po sundání té průchodky jsem skutečně našel, že většina těch kabelů je buďto roztržená úplně, nebo bez bužírky a vzájemně se dotýkají.. :-) Mockrát děkuji za rady, asi by mě to nenapadlo... :-) Teď mě čeká výměna těch káblů.... tak ještě jednou díky.. :-) Doktor.
Astra G Hatchback r.v.98, X18XE1 - 85kW
Uživatelský avatar
Fritol
Příspěvky: 2005
Registrován: 21 led 2009, 20:20
Bydliště: Hradec Kralové
Kontaktovat uživatele:

Re: Pojistka stěračů

Příspěvek od Fritol »

pak dej vědět jestli to pomohlo od těch stěračůů...
ASTRA-G-2.0 -X20DTL,Hatchback 5dv.1998
Diagnostika: op-com v.1.39 (CZ) / Hradec Kralové a okolí
DoktorHoly
Příspěvky: 38
Registrován: 27 led 2011, 12:11
Bydliště: Praha

Re: Pojistka stěračů

Příspěvek od DoktorHoly »

Tak kabely vyměněny, a všechno funguje jak má... pojistky nic nevyhazuje, stěrače stírají a centrál funguje komplet jak má.. :-) díkes :-)
Astra G Hatchback r.v.98, X18XE1 - 85kW
Odpovědět