osvětlení přihrádky
- vasekpetr1
- Příspěvky: 3106
- Registrován: 24 led 2006, 08:33
- Bydliště: Červená Hospoda u Třebíče
Re: osvětlení přihrádky
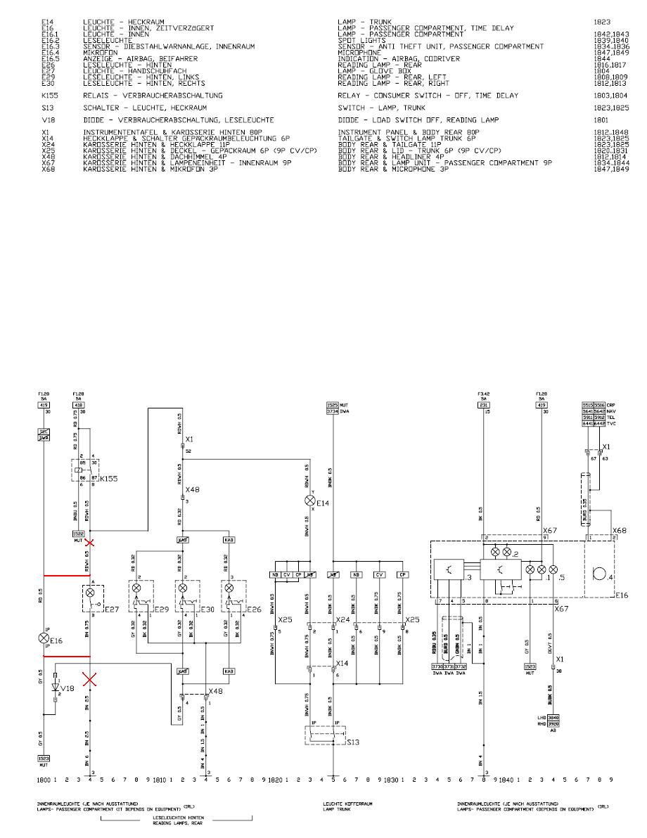
Je zapotřebí přerušit oba dva vodiče (bo multitimer) a natáhnout ze stropní lampičky šedý vodič 0,5mm. Rudý 0,5mm bys mohl vytáhnout z pojistkovky z pojistky F1.28
Dřívější srdcovka, prodaná na díly pro UA: Astra 1,6 G caravan 99, motor X16SZR, 55 kW, VIN: W0L0TGF35X20326xx, tmavě zelená metalíza,
Nynější mazlík: Opel Zafira B, 1,9 TDCI - Z19DT - 2008, černá, najeto 170 tkm.
A menuju se Petr a né Vašek a žiju v Hospodě -:)
Nynější mazlík: Opel Zafira B, 1,9 TDCI - Z19DT - 2008, černá, najeto 170 tkm.
A menuju se Petr a né Vašek a žiju v Hospodě -:)
- Reklama
Re: osvětlení přihrádky
Přesně tak. To schema hovoří za vše. 
2x Opel Astra caravan 99/1,6 16V/X16XEL/Z147 - Italka a Švýcarka
Re: osvětlení přihrádky
Ahoj,
neviem ako v inych opel servisoch, ale technik v prahe mi oznamil, ze samostatne uz sa tie pacičky na priehradku objednat nedaju, jedine v sade (lava+prava) stoja 270Kc
neviem ako v inych opel servisoch, ale technik v prahe mi oznamil, ze samostatne uz sa tie pacičky na priehradku objednat nedaju, jedine v sade (lava+prava) stoja 270Kc
Astra G Caravan 1.6 X16SZR, r.v.1998
- vasekpetr1
- Příspěvky: 3106
- Registrován: 24 led 2006, 08:33
- Bydliště: Červená Hospoda u Třebíče
Re: osvětlení přihrádky
Já myslím, že většina z nás kupovala dvě páčky, viz návod od miloshe. Nesmutni, máš jednu náhradní
.
Dřívější srdcovka, prodaná na díly pro UA: Astra 1,6 G caravan 99, motor X16SZR, 55 kW, VIN: W0L0TGF35X20326xx, tmavě zelená metalíza,
Nynější mazlík: Opel Zafira B, 1,9 TDCI - Z19DT - 2008, černá, najeto 170 tkm.
A menuju se Petr a né Vašek a žiju v Hospodě -:)
Nynější mazlík: Opel Zafira B, 1,9 TDCI - Z19DT - 2008, černá, najeto 170 tkm.
A menuju se Petr a né Vašek a žiju v Hospodě -:)
Re: osvětlení přihrádky
Jj přesně tak, taktéž jsem kupoval nové držáky a hned pár
Cena okolo 300,- v Oplu
No jako ty jejich ceny to je děs a hrůza:)
Čím menší blbost tím dražší to je
Cena okolo 300,- v Oplu
No jako ty jejich ceny to je děs a hrůza:)
Čím menší blbost tím dražší to je
Teď máme Z18xe Mazlík
Re: osvětlení přihrádky
Držáky objednány od Dennyho, vyměněny a jsem zvědavej, jak dlouho mi ta levá vydrží
Teď ještě zbývá zjistit, proč mi nesvítí osvětlení, když žárovka se zdá být OK
Teď ještě zbývá zjistit, proč mi nesvítí osvětlení, když žárovka se zdá být OK
Opel Astra G, 1.8 16v (X18XE1) 85 kW, hatchback, r.v. 1998
https://www.astra-g.cz/forum/viewtopic.php?f=47&t=23618
https://www.astra-g.cz/forum/viewtopic.php?f=47&t=23618
Re: osvětlení přihrádky
Kolik jsi za ně dal?Sanour píše:Držáky objednány od Dennyho, vyměněny a jsem zvědavej, jak dlouho mi ta levá vydrží![]()
Teď ještě zbývá zjistit, proč mi nesvítí osvětlení, když žárovka se zdá být OK
______
X14XE
Z20LET OPC II
______
X14XE
Z20LET OPC II
______
Re: osvětlení přihrádky
344 vč. poštovnýho. Včera jsem je objednal, dneska jsem je měl doma 
Budu muset taky pohrabat kabely a zjistit co a jak
Budu muset taky pohrabat kabely a zjistit co a jak
Opel Astra G, 1.8 16v (X18XE1) 85 kW, hatchback, r.v. 1998
https://www.astra-g.cz/forum/viewtopic.php?f=47&t=23618
https://www.astra-g.cz/forum/viewtopic.php?f=47&t=23618
Re: osvětlení přihrádky
pejee píše:Kolik jsi za ně dal?Sanour píše:Držáky objednány od Dennyho, vyměněny a jsem zvědavej, jak dlouho mi ta levá vydrží![]()
Teď ještě zbývá zjistit, proč mi nesvítí osvětlení, když žárovka se zdá být OKu mě se zdá žárovka taky ok, ale stejně nesvítí ani při otočení klíčkem do jakékoliv polohy, tak to asi někdo odpojil, když se zlomily ty držáky
mam ten isty problem, ziarovka ok, lavy drziak ok, len mi to nesvietilo, tak som z priehradky vybral cele puzdro aj so ziarovkou a zda sa mi, ze mi niekam zapadol konektor, s ktorym je to na boku priehradky spojene, takze asi demontujem priehradku a uvidime ci je problem len v tom
Doplnene:
konektor bol odpojeny, demontaz, zapojenie, montaz skrinky, za 15 minut sa svietilo.
Naposledy upravil(a) wufan dne 04 úno 2013, 14:22, celkem upraveno 1 x.
OPEL Astra G 1.6 16V Sport, hatchback, 3d, 02´, 74kW, benzin Z16XE
https://www.astra-g.cz/forum/viewtopic.php?f=46&t=26133
https://www.astra-g.cz/forum/viewtopic.php?f=46&t=26133
Re: osvětlení přihrádky
No ..
za kousek plastu .. achjo, asi je taky koupím
Do přihrádky moc nelezu a to světlo tam mě už vůbec nebere, je to detail.. ale spravím to ať je to pěkné 
______
X14XE
Z20LET OPC II
______
X14XE
Z20LET OPC II
______
Re: osvětlení přihrádky
Za parádu člověk holt platí
Jinak se mi v kaslíku usídlila nějaká černá magie. Zapojil jsem konektor a hle, žárovka svítí. Teď budu přemýšlet, proč mi už rok nesvítila
Jinak se mi v kaslíku usídlila nějaká černá magie. Zapojil jsem konektor a hle, žárovka svítí. Teď budu přemýšlet, proč mi už rok nesvítila
Opel Astra G, 1.8 16v (X18XE1) 85 kW, hatchback, r.v. 1998
https://www.astra-g.cz/forum/viewtopic.php?f=47&t=23618
https://www.astra-g.cz/forum/viewtopic.php?f=47&t=23618
Re: osvětlení přihrádky
Tak já pracně vytáhl přihrádku, prostřední šroubek ve spodní řadě..tam není vůbec přístup, tak jsem ho vzal šroubovákem. Nesvítí to proto, že byla špatná žárovka..i když vlákno je neporušenéSanour píše:Za parádu člověk holt platí![]()
Jinak se mi v kaslíku usídlila nějaká černá magie. Zapojil jsem konektor a hle, žárovka svítí. Teď budu přemýšlet, proč mi už rok nesvítila
______
X14XE
Z20LET OPC II
______
X14XE
Z20LET OPC II
______
Re: osvětlení přihrádky
Nevím, možná jsem jezdil dovčerejška se zhasnutým motorem, že to nesvítilo.
Každopádně ještě pořád osvětlení funguje, tak to u sebe beru jako uzavřenou záležitost
Každopádně ještě pořád osvětlení funguje, tak to u sebe beru jako uzavřenou záležitost
Opel Astra G, 1.8 16v (X18XE1) 85 kW, hatchback, r.v. 1998
https://www.astra-g.cz/forum/viewtopic.php?f=47&t=23618
https://www.astra-g.cz/forum/viewtopic.php?f=47&t=23618
Re: osvětlení přihrádky
ahoj panove, najdu ty nozicky treba na autokelly.cz ? Nebo budou schopni na zakladu katalogoveho cisla ji nejak objednat ? diky 
Opel Astra G 1,6 16V 74kW rok 1999
Re: osvětlení přihrádky
https://www.astra-g.cz/praskla-packa-v- ... lujezdcem/ tu je objednacie cislo do opla