Přehřívání díky ventilátoru klimy
Přehřívání díky ventilátoru klimy
Můžete mi prosím někdo poradit.Když se mi auto zahřeje na nějakých 92 stupňů sepne mi sahara i ventilátor klimy,ale kdýž mi to vystoupá na nějakých 95 stupňů,tak se sepne ventilátor klimy na plno,rožne se mi kontrolka chladiče s hvězdičkou uprostřed,zastaví se sahara??? a teplota začne stoupat rychle až do červeneho.Je možné žeby byla řídící jednotka ventilátorů v háji.Myslím,že je za předním nárazníkem u levého kola.Díky za jakou koli radu.
- Reklama
Re: Přehřívání díky ventilátoru klimy
Může ale spíše bych řekl že jsou to ty předřadné odpory na rámu sahary, na předním rámu pod saharou je jeden, další je na horní části vnitřní sahary motoru a další je dole na pravé části sahary motoru vše při pohledu zpředu do motoru.
Proměř napřed všechny odpory a mzkoukni zad nejsou poškozené kable na konektorech.
Ale je divnmé že se ti to takto přehřívá
to by nemělo pokud nestojíš někde v koloně s klimou.....¨
Možníá těsnění pod hlavou, ale napřeř odpory, případně vyměnit poté proměřit jednotku chlazení a pak hlava dolů
Hodně zdaru.
Proměř napřed všechny odpory a mzkoukni zad nejsou poškozené kable na konektorech.
Ale je divnmé že se ti to takto přehřívá
Možníá těsnění pod hlavou, ale napřeř odpory, případně vyměnit poté proměřit jednotku chlazení a pak hlava dolů
Hodně zdaru.
Už ne Opel ....
Ex
Astra G Z17DTL 2x
Corsa B X10XE
Astra G Z14XE
Astra G X20XEV
Vectra B X18XE
Vectra A C20NE
Kadett E C16NZ
Monza 20NE
Ex
Astra G Z17DTL 2x
Corsa B X10XE
Astra G Z14XE
Astra G X20XEV
Vectra B X18XE
Vectra A C20NE
Kadett E C16NZ
Monza 20NE
Re: Přehřívání díky ventilátoru klimy
nechci nějak mistifikovat ale jestliže se ventilátor sepne na plno, znamená to chybu v sytemu a ten ventilátor tak nějak zajišťuzje aby se motor ochladil, chybka bude v nějakym čidle a nebo v termostatu. A nebo těsnění pod hlavou. Vlatně to co píše Ondra.
OPEL ZAFIRA 1.8 16v 85kw - rok 2000 X18XE1
https://picasaweb.google.com/106136654297466934849/Zafira
Jsou jen dva druhy aut - Opel Zafira a ty ostatní
https://picasaweb.google.com/106136654297466934849/Zafira
Jsou jen dva druhy aut - Opel Zafira a ty ostatní
Re: Přehřívání díky ventilátoru klimy
Právě je mi divné,že se začne tak rychle přehřívat až sepne na plno ventilátor klimy.Ale proč se mi vypne sahara to mi nejde do hlavy.Těsnění pod hlavou si myslím,že není fouklé.Měnil sem olej a byl čistý a chlad. kapalina taky v pohodě.A nevíte jak vypnout ventilátor klimy,tak aby mi fungovala jen sahara.Když vyhodím pojistku,tak nejde ani jeden
Re: Přehřívání díky ventilátoru klimy
To neznamená že když máš na pohled ok olej a chladičku že nemáš fouklé těsnění
Jinač jen odpojit sahara na klimě nejde jen tak ( samozřejměnapájení jde odpojit ale bude ti stále svítit chlazení a poběží ti sahara motoru), napřed udělej co jsem psal zjisti předřadné odpory a zkoukni i jak psal Hant čidlo chladící kapaliny, termostat to nebude ten se takto neprojevuje, jedině že by zůstával úplně zavřený, ale to předpokládám že si zjisšťoval než si toto napsal, jinač znovu opakuji je tady toho v poradně na toto téma dost, většina problémů, ko těsnění.....
Možná by bylo také vhodné napsat co máš za motor.....
Jinač jen odpojit sahara na klimě nejde jen tak ( samozřejměnapájení jde odpojit ale bude ti stále svítit chlazení a poběží ti sahara motoru), napřed udělej co jsem psal zjisti předřadné odpory a zkoukni i jak psal Hant čidlo chladící kapaliny, termostat to nebude ten se takto neprojevuje, jedině že by zůstával úplně zavřený, ale to předpokládám že si zjisšťoval než si toto napsal, jinač znovu opakuji je tady toho v poradně na toto téma dost, většina problémů, ko těsnění.....
Možná by bylo také vhodné napsat co máš za motor.....
Už ne Opel ....
Ex
Astra G Z17DTL 2x
Corsa B X10XE
Astra G Z14XE
Astra G X20XEV
Vectra B X18XE
Vectra A C20NE
Kadett E C16NZ
Monza 20NE
Ex
Astra G Z17DTL 2x
Corsa B X10XE
Astra G Z14XE
Astra G X20XEV
Vectra B X18XE
Vectra A C20NE
Kadett E C16NZ
Monza 20NE
- vasekpetr1
- Příspěvky: 3106
- Registrován: 24 led 2006, 08:33
- Bydliště: Červená Hospoda u Třebíče
Re: Přehřívání díky ventilátoru klimy
Kterou pojistku "vyhazuješ?"mig5732 píše: ...Když vyhodím pojistku,tak nejde ani jeden...
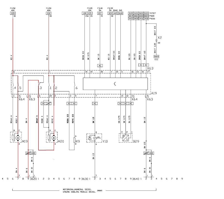
Schema chlazení i s pojistkami zde...
Samozřejmě pojistky Fx jsou v motoru, pojistky Fx.xx jsou v pojistkovce v kabině. I zde se můžeme pouze dohadovat, o jaký že se jedná typ motoru... To schema je pro ropáka odtud, ale benzin to má podobně.
Dřívější srdcovka, prodaná na díly pro UA: Astra 1,6 G caravan 99, motor X16SZR, 55 kW, VIN: W0L0TGF35X20326xx, tmavě zelená metalíza,
Nynější mazlík: Opel Zafira B, 1,9 TDCI - Z19DT - 2008, černá, najeto 170 tkm.
A menuju se Petr a né Vašek a žiju v Hospodě -:)
Nynější mazlík: Opel Zafira B, 1,9 TDCI - Z19DT - 2008, černá, najeto 170 tkm.
A menuju se Petr a né Vašek a žiju v Hospodě -:)
Re: Přehřívání díky ventilátoru klimy
Auto mám teď od přítelkyně,protože mi moje posadila na střechu
.OPEL ASTRA G třídvéřák rv.2003.Před rokem sem sundal srnu a měnil chladič a od té doby se to pořád nějak sere.Měl sem to u známého a ten mi říkal,že to bude asi řídící jednotka chlazení co ovládá spínání ventilátorů.Říkal,že to pročistil,ale teď,jak dojde teplota k 90,tak se roztočí oba ventilátory sice jen volněji,ale jak teplota dosáhne 95,tak se sepne ventilátor klimy (ten vepředu) na plný výkon,rožne se kontrolka chladiče s hvězdičkou uprostřed a zastaví se sahara (ventilátor v motoru) a začne hrozně rychle stoupat teplota až do červeného.Ale než sem mu to vezl tak se mi to nestávalo.Nevím jestli je ta jednotka po té bouračce KO a teď jak to pročistil se to posralo úplně.Jó a teplotní čidlo je jen jedno???Na bloku motoru vzadu vedle altíku nebo ještě někde na chladiči???NEVÍM
Jó a pojistku sem vydělal pod volantem,v přihrádce u levé nohy řidiče
Jó a pojistku sem vydělal pod volantem,v přihrádce u levé nohy řidiče
- vasekpetr1
- Příspěvky: 3106
- Registrován: 24 led 2006, 08:33
- Bydliště: Červená Hospoda u Třebíče
Re: Přehřívání díky ventilátoru klimy
Takže ještě jednou... nevím, co máš za motor, jestli nafta nebo benzin, takže posílám i schema benzinu.
Na chladiči teplotní čidlo není, pouze u alternátoru. Na kondenzátoru klimy je převodník tlak/napětí.
Dřívější srdcovka, prodaná na díly pro UA: Astra 1,6 G caravan 99, motor X16SZR, 55 kW, VIN: W0L0TGF35X20326xx, tmavě zelená metalíza,
Nynější mazlík: Opel Zafira B, 1,9 TDCI - Z19DT - 2008, černá, najeto 170 tkm.
A menuju se Petr a né Vašek a žiju v Hospodě -:)
Nynější mazlík: Opel Zafira B, 1,9 TDCI - Z19DT - 2008, černá, najeto 170 tkm.
A menuju se Petr a né Vašek a žiju v Hospodě -:)
Re: Přehřívání díky ventilátoru klimy
Je to benzín.
A nevíš jak to je stěma ventilátorama.Jestli to je normální,že se mi sepne vent.klimy na plné kule a vypne se mi sahara???
A nevíš jak to je stěma ventilátorama.Jestli to je normální,že se mi sepne vent.klimy na plné kule a vypne se mi sahara???
- vasekpetr1
- Příspěvky: 3106
- Registrován: 24 led 2006, 08:33
- Bydliště: Červená Hospoda u Třebíče
Re: Přehřívání díky ventilátoru klimy
Normální to není, prohlédni konektor u řídící jednotky chlazení, prohlédni i konektory vlastních ventilátorů, kabeláž. Přijde mi to, jako by tam chyběla kostra pro jeden motor. Říkáš, že to dostalo ranu od srnky a pak jste to pucovali wapkou - může být třeba povytažený konektor. Ten přerušený odpor mi moc nesedí - to by se větrák nerozběhl vůbec.
Dřívější srdcovka, prodaná na díly pro UA: Astra 1,6 G caravan 99, motor X16SZR, 55 kW, VIN: W0L0TGF35X20326xx, tmavě zelená metalíza,
Nynější mazlík: Opel Zafira B, 1,9 TDCI - Z19DT - 2008, černá, najeto 170 tkm.
A menuju se Petr a né Vašek a žiju v Hospodě -:)
Nynější mazlík: Opel Zafira B, 1,9 TDCI - Z19DT - 2008, černá, najeto 170 tkm.
A menuju se Petr a né Vašek a žiju v Hospodě -:)
Re: Přehřívání díky ventilátoru klimy
Pohrabu se v tom a uvidím co bude.Víse posrat to už asi stejně nejde
- vasekpetr1
- Příspěvky: 3106
- Registrován: 24 led 2006, 08:33
- Bydliště: Červená Hospoda u Třebíče
Re: Přehřívání díky ventilátoru klimy
I když jak teď koukám na šéma, tak i ten přerušený předřadný odpor by mohl dělat paseku - ze začátku jsou oba motory v sérii a potom přepínají na paralel s odpory. Zkontroluj i ty pojistky v motoru u baterky - F1 a F4 o hodnotě 40A. Hodnoty jsou i na vnitřní straně krytu pojistek.
Dřívější srdcovka, prodaná na díly pro UA: Astra 1,6 G caravan 99, motor X16SZR, 55 kW, VIN: W0L0TGF35X20326xx, tmavě zelená metalíza,
Nynější mazlík: Opel Zafira B, 1,9 TDCI - Z19DT - 2008, černá, najeto 170 tkm.
A menuju se Petr a né Vašek a žiju v Hospodě -:)
Nynější mazlík: Opel Zafira B, 1,9 TDCI - Z19DT - 2008, černá, najeto 170 tkm.
A menuju se Petr a né Vašek a žiju v Hospodě -:)
Re: Přehřívání díky ventilátoru klimy
Jo a ten předřadný odpor vypadá jak a kde přesně je?DIK
- vasekpetr1
- Příspěvky: 3106
- Registrován: 24 led 2006, 08:33
- Bydliště: Červená Hospoda u Třebíče
Re: Přehřívání díky ventilátoru klimy
Viz druhý příspěvek od Ondry. Je to sice z dízlu, ale bude to podobné.mig5732 píše:Jo a ten předřadný odpor vypadá jak a kde přesně je?DIK
Jenže my tu pořád řešíme důsledek a ne příčinu, proč se ti to auto přehřívá - když nechám auto blafat na volnoběh bez spuštěné klimy, tak trvá veeelmi dlouho, než najede ventilátor. A po najetí se voda rychle ochladí, takže větrák za chvíli vypne. Teploměr sleze do hodnot okolo 85°C.
A jak ten předřadný odpor asi vypadá se můžeš podívat třeba zde. Abys věděl, co máš hledat.
Dřívější srdcovka, prodaná na díly pro UA: Astra 1,6 G caravan 99, motor X16SZR, 55 kW, VIN: W0L0TGF35X20326xx, tmavě zelená metalíza,
Nynější mazlík: Opel Zafira B, 1,9 TDCI - Z19DT - 2008, černá, najeto 170 tkm.
A menuju se Petr a né Vašek a žiju v Hospodě -:)
Nynější mazlík: Opel Zafira B, 1,9 TDCI - Z19DT - 2008, černá, najeto 170 tkm.
A menuju se Petr a né Vašek a žiju v Hospodě -:)
Re: Přehřívání díky ventilátoru klimy
Na tom střepovi klima nejde už zatraceně dlouho.Je možné,že by to na to mohlo mít taky vliv.Ale před tím mi to nedělalo.Až po výměně toho chladiče se to začalo trochu přehřívat,ale dojel sem s tím i 40km,ale teď jak sem to dovezl od známého co mi říkal,že je asi ta řídící jednotka chlazení KO neujedu ani 10km aby to nešlo až do červeného.a když stojím,tak na volnoběh to je celkem vklidu,to se mi točí oba ventilátory.Ale jak se rozběhne na plné otáčky ventilátor klimy a vypne se sahara,tak to letí od 95stupňů do červeného rychle jako prase.Nevím právě proč se mi vypne sahara. Já to asi shodím z útesu.
Zas takový automechanik nejsem
Zas takový automechanik nejsem