Elektricke stahovani oken
Re: Elektricke stahovani oken
Ahoj všem, začala se mi sama vybíjet baterka, tak jsem napojil multimetr a zjistil jsem, že jakmile vyndám pojistku č.20 klesne proud. Pojistka je k předním el. oknům, ale je divné, že ty mi normálně fungují. Nemáte někdo podobné zkušenosti?
Předem díky za jakýkoliv názor.
Předem díky za jakýkoliv názor.
- Reklama
- vasekpetr1
- Příspěvky: 3106
- Registrován: 24 led 2006, 08:33
- Bydliště: Červená Hospoda u Třebíče
Re: Elektricke stahovani oken
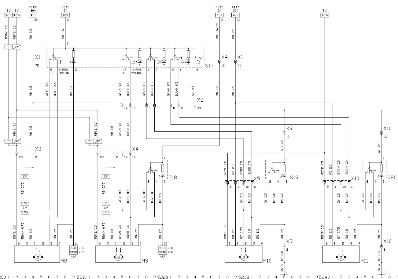
Pojistka F1.20 je trvalé napětí pro přední okna, které se využívá hlavně při povelu centrálu pro jejich zavření nebo při využití a nastavení doběhu. Pokud zavíráš nebo otevíráš okna ovladačem na dveřích, ten je napájen z pojistky F3.15.
U tvé závady bych viděl problém s nastavením doběhu, buď některé přední okno drhne a nedojíždí do koncové polohy nebo problém v kabelech průchodky.
U tvé závady bych viděl problém s nastavením doběhu, buď některé přední okno drhne a nedojíždí do koncové polohy nebo problém v kabelech průchodky.
Dřívější srdcovka, prodaná na díly pro UA: Astra 1,6 G caravan 99, motor X16SZR, 55 kW, VIN: W0L0TGF35X20326xx, tmavě zelená metalíza,
Nynější mazlík: Opel Zafira B, 1,9 TDCI - Z19DT - 2008, černá, najeto 170 tkm.
A menuju se Petr a né Vašek a žiju v Hospodě -:)
Nynější mazlík: Opel Zafira B, 1,9 TDCI - Z19DT - 2008, černá, najeto 170 tkm.
A menuju se Petr a né Vašek a žiju v Hospodě -:)
Re: Elektricke stahovani oken
Dnes jsem rozebral průchodky a drátky v nich jsou v pohodě a baterka má odběr i když jsou průchodky rozpojené, takže to musí být někde na cestě ke dveřím a né v nich. S tou pojistkou to moc nechápu. Centrál mi jde normálně i bez ní, myslím bez poj.č 20. a co se týče dojíždění oken po zamknutí, tak to mi nikdy nefungovalo. Navíc jak jsem dnes pořád odpojoval baterku a měřil proud, rozsvítila se mi kontrolka pytle.
- vasekpetr1
- Příspěvky: 3106
- Registrován: 24 led 2006, 08:33
- Bydliště: Červená Hospoda u Třebíče
Re: Elektricke stahovani oken
Ten trvalý potenciál z F1.20 se používá i pro funkci zavření/otevření okna po delším podržení tlačítka, tzn. držíš tlačítko trochu déle a okno ti samo sjede(vyjede) až dolú(nahoru). ale na to musíš mít nastaveny dojezdy a to právě že nemáš.
Pytle se ti rozsvítily díky tomu, že jsi rozpojil konektor dveří a zapnul zapalování. Jednotka Airbagů vyhodnotila přerušený obvod bygů a vyhodila poruchu. To se dá přes diagnostiku smáznout.
Pojistka F1.20 skutečně napájí pouze ty dva motorky stahování předních oken a pokud ti i přes oba odpojené konektory předních dveří teče přes pojistku proud (ověřeno ampérmetrem přes kontakty vytažené pojistky), tak máš problém v kabeláži.
Je to určitě F1.20?
Pytle se ti rozsvítily díky tomu, že jsi rozpojil konektor dveří a zapnul zapalování. Jednotka Airbagů vyhodnotila přerušený obvod bygů a vyhodila poruchu. To se dá přes diagnostiku smáznout.
Pojistka F1.20 skutečně napájí pouze ty dva motorky stahování předních oken a pokud ti i přes oba odpojené konektory předních dveří teče přes pojistku proud (ověřeno ampérmetrem přes kontakty vytažené pojistky), tak máš problém v kabeláži.
Je to určitě F1.20?
Dřívější srdcovka, prodaná na díly pro UA: Astra 1,6 G caravan 99, motor X16SZR, 55 kW, VIN: W0L0TGF35X20326xx, tmavě zelená metalíza,
Nynější mazlík: Opel Zafira B, 1,9 TDCI - Z19DT - 2008, černá, najeto 170 tkm.
A menuju se Petr a né Vašek a žiju v Hospodě -:)
Nynější mazlík: Opel Zafira B, 1,9 TDCI - Z19DT - 2008, černá, najeto 170 tkm.
A menuju se Petr a né Vašek a žiju v Hospodě -:)
Re: Elektricke stahovani oken
Ty dojezdy mi normálně frčí, teda když tam mám pojistku. Jo a proud přes ní teče, i když je to odpojené. Na tohle už nemám. Příští týden jedu k elektrikáři, bohužel už mě nenapadá, jak na ten problém přijít.
- megacruiser
- Příspěvky: 6
- Registrován: 22 čer 2016, 00:04
- Bydliště: Brno - Bystrc
Re: Elektricke stahovani oken
Ahoj všem, tak mi dnes u Zafiry z 99 zapraskalo v zadních dveřích při zavírání okna (až jsem se lekl že ruplo sklo...) a okno nejde zavřít. Když se nahoru narve ručně, dolu potom motorkem sjede. Pochopil jsem, že je to celkem běžná závada. Neměli byste někdo fotku toho plastovýho bazmeku co by to měl držet a asi se rozlomil? Vypadá takto?
http://autodily.shoptime.cz/zbozi/20978 ... -zadni.htm
Btw. 500 se mi zdá za novej díl nějak málo když se v příspěvcích píše že to stojí 3000 z vrakáče + je reálný to vyměnit "na parkovišti" nebo mám hledat servis?
Díky.
Edit: po demontáži dveří jsem zjistil, že uvnitř visí lanko, které má okno tahat. Takže výměna celého mechanizmu bude nutná. Zítra snad konečně odvrtám nýty a stahování vyměním...
Edit: takže hotovo. Nový díl nepasoval úplně přesně ale nakonec jsem ho tam narval a přinýtoval. Okno celkem jezdí, asi se to musí ještě trochu vychodit, v některých polohách trochu drhne. Samolepící igelit jsem vyříznul podle starého nový ze samolepící folie do plotru, původní hodně špatně lepil. Celkově spokojenost - lepší dát 500 za díl a trochu práce než jezdit s oknem podepřeným klackem jako jeden kolega
http://autodily.shoptime.cz/zbozi/20978 ... -zadni.htm
Btw. 500 se mi zdá za novej díl nějak málo když se v příspěvcích píše že to stojí 3000 z vrakáče + je reálný to vyměnit "na parkovišti" nebo mám hledat servis?
Díky.
Edit: po demontáži dveří jsem zjistil, že uvnitř visí lanko, které má okno tahat. Takže výměna celého mechanizmu bude nutná. Zítra snad konečně odvrtám nýty a stahování vyměním...
Edit: takže hotovo. Nový díl nepasoval úplně přesně ale nakonec jsem ho tam narval a přinýtoval. Okno celkem jezdí, asi se to musí ještě trochu vychodit, v některých polohách trochu drhne. Samolepící igelit jsem vyříznul podle starého nový ze samolepící folie do plotru, původní hodně špatně lepil. Celkově spokojenost - lepší dát 500 za díl a trochu práce než jezdit s oknem podepřeným klackem jako jeden kolega
Wartburg 353 > Volha M21B > Mitsubishi Cordia 1.8T > Wartburg 1.3 > Fiat Seicento > Zafira A 1999, 1.8, 85 kW, 195 tkm (nejlepší auto na světě!)
Re: Elektricke stahovani oken
Oživím toto téma, neb jsem měnil dveře s nefunkční stahovačkou za jiné. Výměna proběhla bez problémů. Do nových dveří jsem dal původní kabeláž, jelikož nový kabel neměly výstup na horní reprák dveří. Vše bez problémů zapojeno, vše funguje, krom okna. Nejedou dojezdy a na oba ovladače reaguje obráceně. Na stahnutí okna je třeba na ovladači dát nahoru a na vytažení okna zase dolů. Zkusil jsem kabely prohodit, ale reaguje to stejně. Kde by mohla být chyba?
Zrzka Zafira 2.0 Di 16V X20DTL
Re: Elektricke stahovani oken
Ak sa nemylim,dojazdy sa musia nastavit.
- Marťasek
- Příspěvky: 3442
- Registrován: 18 zář 2011, 08:30
- Bydliště: Prostějov (TIR)
- Kontaktovat uživatele:
Re: Elektricke stahovani oken
máš přehozené motory...
Marťaskova Šmoulinka Z18XE - https://www.astra-g.cz/forum/viewtopic.php?f=24&t=21991&p=372504#p372504
- vasekpetr1
- Příspěvky: 3106
- Registrován: 24 led 2006, 08:33
- Bydliště: Červená Hospoda u Třebíče
Re: Elektricke stahovani oken
Nepíšeš, které jsou to dveře, ale pokud jsou to u spolujezdce, tak na konektoru do motoru stahování přehoď kabely na pinech 2 a 3 mezi sebou - šedo-zelený s modro-červeným. Vzadu je to šedý s modrým.
Dřívější srdcovka, prodaná na díly pro UA: Astra 1,6 G caravan 99, motor X16SZR, 55 kW, VIN: W0L0TGF35X20326xx, tmavě zelená metalíza,
Nynější mazlík: Opel Zafira B, 1,9 TDCI - Z19DT - 2008, černá, najeto 170 tkm.
A menuju se Petr a né Vašek a žiju v Hospodě -:)
Nynější mazlík: Opel Zafira B, 1,9 TDCI - Z19DT - 2008, černá, najeto 170 tkm.
A menuju se Petr a né Vašek a žiju v Hospodě -:)
Re: Elektricke stahovani oken
Jsou to zadní levé dveře. Zkusím to přehodit. Teď mi vyskočilo lanko stahovačky, tak to udělám spolu s výměnou oken. Díky.vasekpetr1 píše:Nepíšeš, které jsou to dveře, ale pokud jsou to u spolujezdce, tak na konektoru do motoru stahování přehoď kabely na pinech 2 a 3 mezi sebou - šedo-zelený s modro-červeným. Vzadu je to šedý s modrým.
Zrzka Zafira 2.0 Di 16V X20DTL
Re: Elektricke stahovani oken
V tom bude něco jiného, už psal, že dráty přehodil, beze změny. Já bych zkontroloval hlavní napíjení, jestli tohle není přehozené, když nefungují dorazy.
Schema máš, tak to důsledně zkontroluj, proměř, jestli se to někde nekříží.
Schema máš, tak to důsledně zkontroluj, proměř, jestli se to někde nekříží.
Zafira 2,2DTi Elegance 2005, Y22DTR, Diag. OP COM (EN v.1.45), EGR emulátor
- vasekpetr1
- Příspěvky: 3106
- Registrován: 24 led 2006, 08:33
- Bydliště: Červená Hospoda u Třebíče
Re: Elektricke stahovani oken
Jak píše Aleš, oměř si přítomnost trvalého plusu na pinu č. 1 - rudý, držel jsem se toho, že nenapsal, které dráty přehazoval. Ale něco může být i na tom marťáskově výkřiku, že je to motor z opačných dveříAlzafir píše:V tom bude něco jiného, už psal, že dráty přehodil, beze změny. Já bych zkontroloval hlavní napíjení, jestli tohle není přehozené, když nefungují dorazy.
Schema máš, tak to důsledně zkontroluj, proměř, jestli se to někde nekříží.
Dřívější srdcovka, prodaná na díly pro UA: Astra 1,6 G caravan 99, motor X16SZR, 55 kW, VIN: W0L0TGF35X20326xx, tmavě zelená metalíza,
Nynější mazlík: Opel Zafira B, 1,9 TDCI - Z19DT - 2008, černá, najeto 170 tkm.
A menuju se Petr a né Vašek a žiju v Hospodě -:)
Nynější mazlík: Opel Zafira B, 1,9 TDCI - Z19DT - 2008, černá, najeto 170 tkm.
A menuju se Petr a né Vašek a žiju v Hospodě -:)
Re: Elektricke stahovani oken
Drátky na konektoru jsem nepřehazoval. Jen svazek ze starých a nových dveří. Více v dlouhé verzi.
Krátká verze:
Všechno špatně zpátky na strom, už to funguje jak má. Děkuji za pomoc a hledání řešení.
Dlouhá verze:
Hned první den mi na nové stahovačce praskla kostička ve které je uchyceno lanko na vytahování okna. Tak jsem se naštval, stahovačku opět vymontoval z auta. Zkusil se kouknout, zda nepůjde opravit. Také jsem zkusil rozebrat motůrek, zda by nešel použít na původní stahovačku. Při té příležitosti jsem vyndal tišťák z nové stahovačky a zkusil jsem ho dát do staré, abych ověřil, zda je v háji motor nebo "jen" elektronika. Stará stahovačka s tišťákem z nové funguje bez problému tak jak má hned na první zapojení. Nahoru okno vytahuje a dolů stahuje, fungují i dojezdy. Díky pánové za rady.
Krátká verze:
Všechno špatně zpátky na strom, už to funguje jak má. Děkuji za pomoc a hledání řešení.
Dlouhá verze:
Hned první den mi na nové stahovačce praskla kostička ve které je uchyceno lanko na vytahování okna. Tak jsem se naštval, stahovačku opět vymontoval z auta. Zkusil se kouknout, zda nepůjde opravit. Také jsem zkusil rozebrat motůrek, zda by nešel použít na původní stahovačku. Při té příležitosti jsem vyndal tišťák z nové stahovačky a zkusil jsem ho dát do staré, abych ověřil, zda je v háji motor nebo "jen" elektronika. Stará stahovačka s tišťákem z nové funguje bez problému tak jak má hned na první zapojení. Nahoru okno vytahuje a dolů stahuje, fungují i dojezdy. Díky pánové za rady.
Zrzka Zafira 2.0 Di 16V X20DTL