svieti kontrolka chladenia po zapnuti klimy

Palubní počítač, Tempomat, automatické nastavení sklonu světlometů, váha vzduchu, navigace, barevný displej
Odpovědět
peet100
Příspěvky: 377
Registrován: 02 srp 2007, 11:58
Bydliště: bratislava

svieti kontrolka chladenia po zapnuti klimy

Příspěvek od peet100 »

Cafte hosi, pri zapnuti klimy sa mi rozsvieti kontrolka chladenia.. Cim to moze byt? Ked idem bez klimy nie je ziadny problem. Ked zapnem klimu po case sa rozsvieti kontrolka.. Nema s tym niekto skusenosti?
1.6 16V 74KW HB 5dv.
Reklama
 

Uživatelský avatar
wizyy
Příspěvky: 198
Registrován: 17 bře 2008, 09:29
Bydliště: Havlickuv Brod
Kontaktovat uživatele:

Re: svieti kontrolka chladenia po zapnuti klimy

Příspěvek od wizyy »

mam ten samej problem...ale stane se mi to jen, kdyz jedu pomalu...mam podezreni na ventilator...vubec se mi netoci, zkus si ho zkontrolovat.
peet100
Příspěvky: 377
Registrován: 02 srp 2007, 11:58
Bydliště: bratislava

Re: svieti kontrolka chladenia po zapnuti klimy

Příspěvek od peet100 »

no ja mam jeden ventilator vpredu a jeden vzadu a tiez s ami to stava praveked idem pomalsie.. A ten vpredu je ciastocne nalomeny tak asi menej toci alebo co
1.6 16V 74KW HB 5dv.
Uživatelský avatar
wizyy
Příspěvky: 198
Registrován: 17 bře 2008, 09:29
Bydliště: Havlickuv Brod
Kontaktovat uživatele:

Re: svieti kontrolka chladenia po zapnuti klimy

Příspěvek od wizyy »

Podle me je to ten vepredu (na klimatizaci)...obcas se prej do nej dostane bordel, ja ho budu tedka o vikendu sundavat.
peet100
Příspěvky: 377
Registrován: 02 srp 2007, 11:58
Bydliště: bratislava

Re: svieti kontrolka chladenia po zapnuti klimy

Příspěvek od peet100 »

ja idem o dva tyzdne k rodine , oni maju rodinny dom aj s dobre vybavenou garazou :) tak skusim ho asi dat dole a pozriet...
1.6 16V 74KW HB 5dv.
Uživatelský avatar
susliak
Příspěvky: 84
Registrován: 21 úno 2008, 22:26
Bydliště: BA / DS

Re: svieti kontrolka chladenia po zapnuti klimy

Příspěvek od susliak »

Ked sa nenahnevate tak napisem svoj problem sem
Zapnem klimu,rozvieti sa kontrolka.Chladit chladi,ale zistil som,ze netoci ventilator klimy.Najcastejsie sa to stava,ked sa teplota blizi k 30.
Tiez sa mi rozsvieti kontrolka,ked je nezapnuta klima len teplota sa prehupne cez 90.Mam pocit,ze predtym si pomahal ventilatorom klimy ktory sa teraz netoci.
Ale ked urobim skusku,ze odpojim snimac teploty tak sa mi roztocia obe ventilatory
Astra caravan i line Y20DTH
peet100
Příspěvky: 377
Registrován: 02 srp 2007, 11:58
Bydliště: bratislava

Re: svieti kontrolka chladenia po zapnuti klimy

Příspěvek od peet100 »

rozober cely ten predny ventilator na klime a precisti loziska, on je totiz vpredu a mozno sa uz ledva oci co tam je tolko bordelu...
1.6 16V 74KW HB 5dv.
Uživatelský avatar
wizyy
Příspěvky: 198
Registrován: 17 bře 2008, 09:29
Bydliště: Havlickuv Brod
Kontaktovat uživatele:

Re: svieti kontrolka chladenia po zapnuti klimy

Příspěvek od wizyy »

ale on pise, ze se mu toci...spis to chce nechat precist chybu
Fulo3
Příspěvky: 124
Registrován: 07 črc 2013, 16:47
Bydliště: ZILINA

Re: svieti kontrolka chladenia po zapnuti klimy

Příspěvek od Fulo3 »

Robil som skúšku odpojil som cidlo teplty a naštartoval rozbehol sa vetrak naplno ale vetrak klimi nič ani sa nepohol takže otázka znie naozaj majú bežať oby dva?Môj problém je že hneď ako sa mi zopne vetrak zasvieti kontrolka chladenia astra g y20dth rv2000
Opel Astra F C14NZ 44 KW R.I.P
Opel Astra G Y20DTH 74KW r.v.2000
Uživatelský avatar
vasekpetr1
Příspěvky: 3106
Registrován: 24 led 2006, 08:33
Bydliště: Červená Hospoda u Třebíče

Re: svieti kontrolka chladenia po zapnuti klimy

Příspěvek od vasekpetr1 »

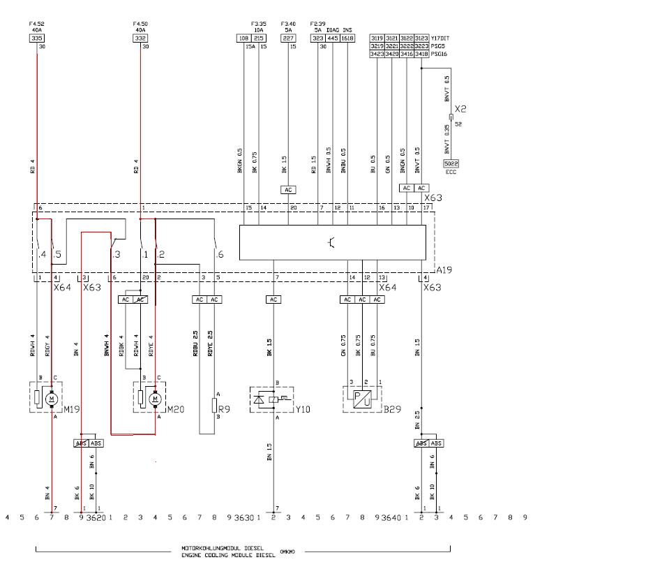
Předpokládám, že jsi odpojil čidlo teploty chladící vody (né teploty vzduchu u nárazníku :D ) - u mého vozu okamžitě najedou naplno oba dva ventilátory - bez předřadných odporů oba paralelně k napájení.
chlazeni ropa.JPG
Pojistky v pořádku? Svorkovnice motoru čistá? Konektor na ŘJ chlazení řádně dotlačen a zkontrolován?
Dřívější srdcovka, prodaná na díly pro UA: Astra 1,6 G caravan 99, motor X16SZR, 55 kW, VIN: W0L0TGF35X20326xx, tmavě zelená metalíza,
Nynější mazlík: Opel Zafira B, 1,9 TDCI - Z19DT - 2008, černá, najeto 170 tkm.

A menuju se Petr a né Vašek a žiju v Hospodě -:)
Odpovědět